Curiosii for ever!: Car repair manuals for everyone.

Coolant Temperature Sensor/Switch (For Computer): Service and Repair

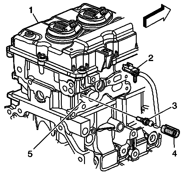
ENGINE COOLANT TEMPERATURE (ECT) SENSOR REPLACEMENT

TOOLS REQUIRED
J 45861 ECT Sensor Socket

REMOVAL PROCEDURE
1. Partially drain the engine coolant below the level of the engine coolant temperature (ECT) sensor. Refer to Draining and Filling Cooling System in Cooling System.




2. Disconnect the ECT sensor electrical connector (2) from the following:
- The engine wiring harness
- The camshaft cover (1)

NOTE: Use care when handling the coolant sensor. Damage to the coolant sensor will affect the operation of the fuel control system.

3. Using the J 45861 (4) carefully remove the ECT sensor (3) from the cylinder head (5).

INSTALLATION PROCEDURE

NOTE:
- Use care when handling the coolant sensor. Damage to the coolant sensor will affect the operation of the fuel control system.
- Replacement components must be the correct part number for the application. Components requiring the use of the thread locking compound, lubricants, corrosion inhibitors, or sealants are identified in the service procedure. Some replacement components may come with these coatings already applied. Do not use these coatings on components unless specified. These coatings can affect the final torque, which may affect the operation of the component. Use the correct torque specification when installing components in order to avoid damage.




1. If installing the original sensor or a new sensor without sealant, apply thread sealer GM P/N 12346004 (Canadian P/N 10953480) or equivalent.

NOTE: Refer to Component Fastener Tightening Notice in Service Precautions.

2. Using the J 45861 (4) carefully install the ECT sensor (3) into the cylinder head (5).

Tighten
Tighten the ECT sensor to 14 N.m (124 lb in).

3. Connect the ECT sensor electrical connector (2) to the following:
- The engine wiring harness
- The camshaft cover (1)
4. Fill the engine coolant. Refer to Draining and Filling Cooling System in Cooling System.