Curiosii for ever!: Car repair manuals for everyone.

Powertrain Control Module (PCM) Replacement

Service of the powertrain control module (PCM) should normally consist of either replacement of the PCM or electrically erasable programmable read only memory (EEPROM) programming. If the diagnostic procedures call for the PCM to be replaced, the PCM should be inspected first to see if the correct part is being used. If the correct part is being used, remove the faulty PCM and install the new service PCM.

IMPORTANT: To prevent internal PCM damage, the ignition must be OFF when disconnecting or reconnecting power to the PCM. For example, when working with a battery cable, PCM pigtail, PCM fuse, or jumper cables.

IMPORTANT: Remove any debris from the PCM connector surfaces before servicing the PCM. Inspect the PCM module connector gaskets when diagnosing or replacing the PCM. Ensure that the gaskets are installed correctly. The gaskets prevent contaminant intrusion into the PCM.

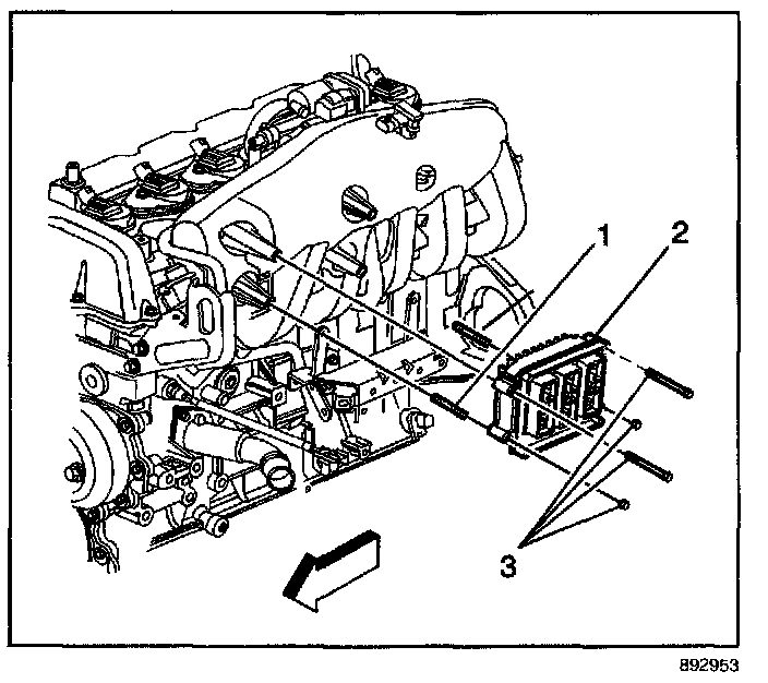
Removal Procedure




1. Loosen the PCM harness connector retaining bolts (1) in the center of the PCM harness connectors.

NOTE: In order to prevent internal damage to the PCM, the ignition must be OFF when disconnecting or reconnecting the PCM connector.

2. Remove the PCM harness connectors (3) from the PCM (2).




3. Remove the PCM mounting nuts and bolts (3).

NOTE: Refer to PCM and ESD Notice in Service Precautions.

4. Remove the PCM (2) from the intake manifold.
5. Remove the PCM mounting studs (1) from the intake manifold, if necessary.

Installation Procedure

NOTE: Refer to Fastener Notice in Service Precautions.




1. Install the PCM mounting studs (1) to the intake manifold, if necessary.

Tighten
Tighten the studs to 6 N.m (53 lb in).

Install the PCM (2) to the intake manifold.

2. Install the PCM mounting nuts and bolts (3).

Tighten
Tighten the nuts and bolts to 10 N.m (89 lb in).




3. Install the PCM harness connectors (3) to the PCM (2).
4. Tighten the PCM harness connector retaining bolts (1).

Tighten
Tighten the bolts to 8 N.m (71 lb in).

5. If a new PCM is being installed, the PCM must be programmed. Programming and Relearning