Curiosii for ever!
: Car repair manuals for everyone.
Home
>>
GMC Truck
>>
2002
>>
Envoy 4WD L6-4.2L VIN S
>>
Repair and Diagnosis
>>
Diagrams
>>
Electrical Diagrams
>>
Transfer Case
>>
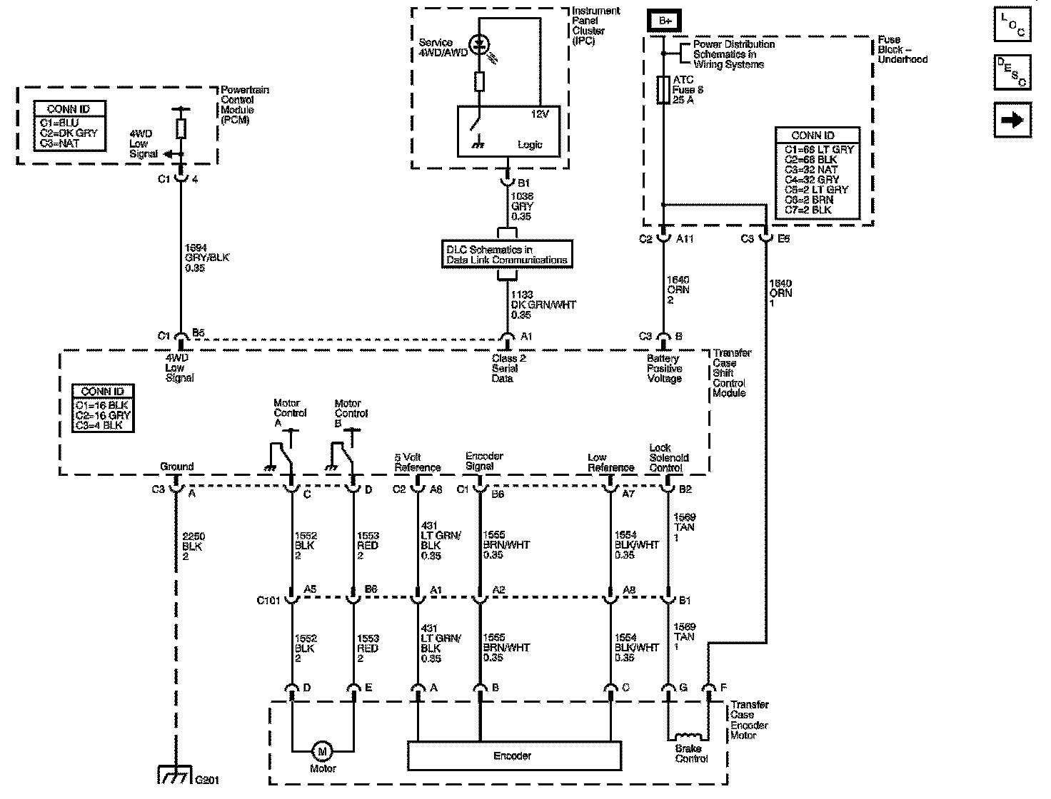
Transfer Case Control Schematics (Power, Ground, Serial Data and Encoder Motor)
Transfer Case Control Schematics (Power, Ground, Serial Data and Encoder Motor)