Curiosii for ever!: Car repair manuals for everyone.

Air Flow Meter/Sensor: Service and Repair

MASS AIR FLOW (MAF)/INTAKE AIR TEMPERATURE (IAT) SENSOR REPLACEMENT

REMOVAL PROCEDURE

IMPORTANT: Take care when handling the mass air flow/intake air temperature (MAF/IAT) sensor. Do not dent, puncture, or otherwise damage the honeycell located at the air inlet end of the MAF/IAT. Do not touch the sensing elements or allow anything including cleaning solvents and lubricants to come in contact with them. Use a small amount of a non-silicone based lubricant, on the air duct only, to aid in installation. Do not drop or roughly handle the MAF/IAT sensor.




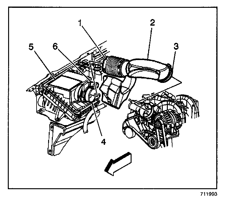
1. Remove Air Intake Resonator.
2. Disconnect the MAF/IAT sensor electrical connector.
3. Loosen the clamp securing the MAF/IAT (4) sensor to the air cleaner housing (5).
4. Remove the MAF/IAT (4) sensor from the air cleaner assembly (5).

INSTALLATION PROCEDURE

IMPORTANT: The embossed arrow on the MAF/IAT sensor indicates the proper air flow direction.The arrow must point toward the engine.




1. Locate the air flow direction arrow (2) on the MAF/IAT sensor.




2. Install the MAF/IAT sensor (4) on to the air cleaner housing (5).
3. Tighten the clamp securing the MAF/IAT (4) sensor to the air cleaner housing (5).
4. Connect the MAF/IAT electrical connector.
5. Install Air Intake Resonator.