Curiosii for ever!: Car repair manuals for everyone.

Electronic Brake Control Module: Service and Repair

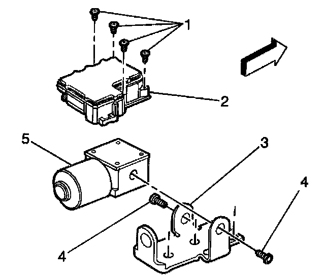
Removal Procedure

Important: After installation, calibrate the new EBCM to the tire size that is appropriate to the vehicle. Refer to Tire Size Calibration portion of Scan Tool Diagnostics.





1. Remove the fuel pipe shield (3) from the frame bracket (2) by removing the two nuts (4).

Important: Thoroughly wash all contaminants from around the EHCU (1). The area around the EHCU must be free from loose dirt to prevent contamination of disassembled ABS components.

2. Disconnect the electrical connectors from the EBCM.





3. Remove the four T 25 Torx mounting screws (1) that fasten the EBCM (2) to the BPMP (5).
4. Remove the EBCM (2) from the BPMV (5). Removal may require a light amount of force.

Important: Do not use a tool to pry the EBCM or the BPMV. Excessive force will damage the EBCM.

5. Clean the BPMV to EBCM mounting surfaces with a clean cloth.

Installation Procedure

Important: Do not reuse the old mounting screws (1). Always install new mounting screws with the new EBCM.

Important: Do not use RTV or any other type of sealant on the EBCM gasket or mating surfaces.





1. Install EBCM (2) on to the BPMV (5).

Notice: Refer to Fastener Notice in Service Precautions.

2. Install the four new T-25 Torx screws (1) in the EBCM (2).
- Tighten the four T-25 Torx screws to 5 Nm (39 inch lbs.) in an X-pattern.
3. Connect the electrical connectors to the EBCM.
4. Secure the module (1) to the frame bracket (3) and fuel pipe shield (2) with the two nuts (4).
5. Revise the tire calibration using the Scan Tool Tire Size Calibration function. Refer to Scan Tool Diagnostics.
6. Return to A Diagnostic System Check.