Curiosii for ever!
: Car repair manuals for everyone.
Home
>>
GMC Truck
>>
1993
>>
Yukon V8-350 5.7L
>>
Repair and Diagnosis
>>
Wiper and Washer Systems
>>
Relays and Modules - Wiper and Washer Systems
>>
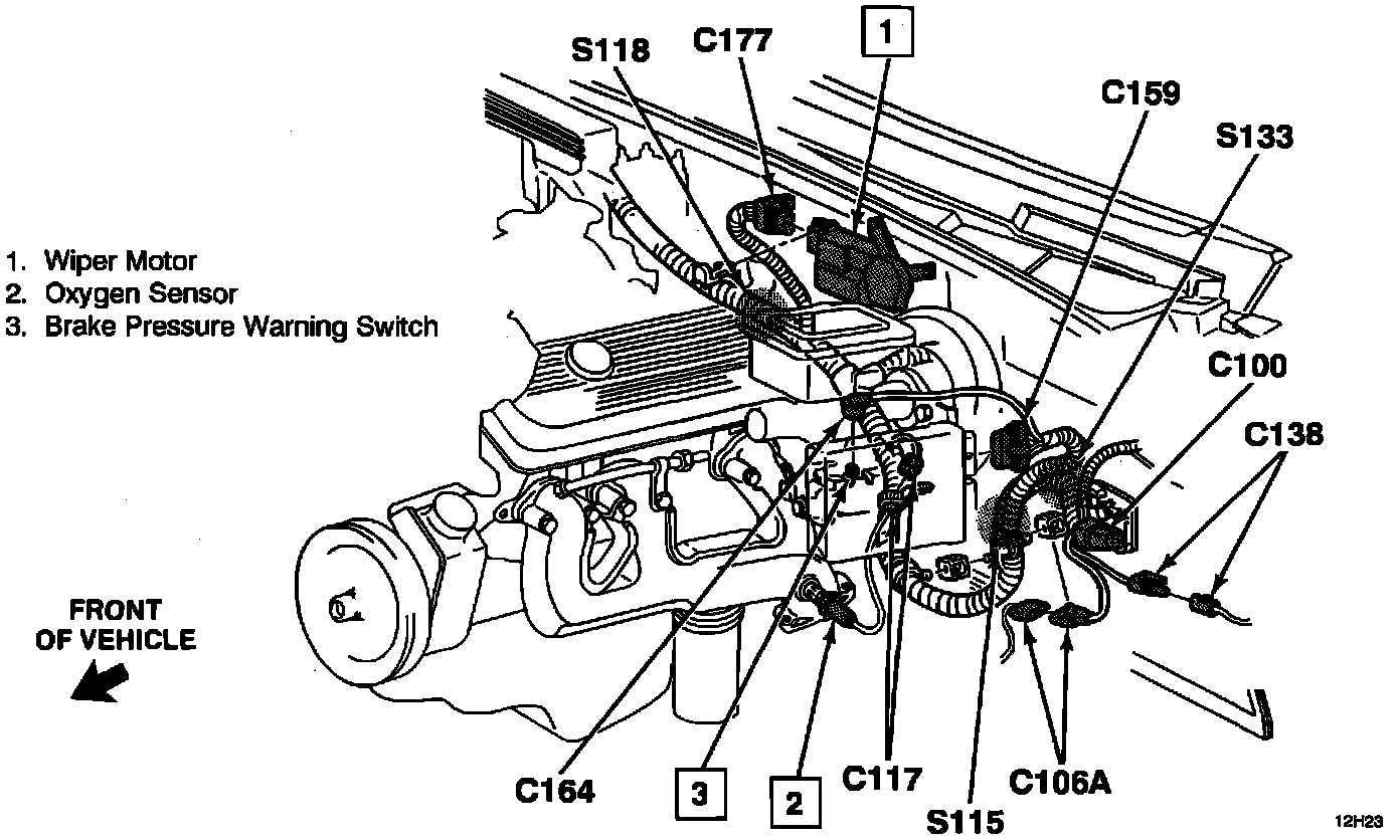
Wiper Control Module
>>
Locations
>>
Front
Front
Left Hand Cowl Wiring - Gasoline Engines: