Curiosii for ever!: Car repair manuals for everyone.

Electronic Brake Control Module: Service and Repair

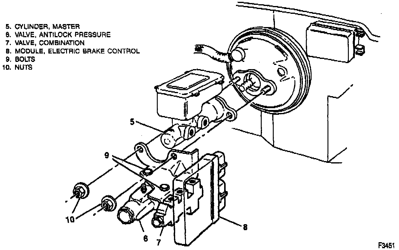
Electronic Brake Control Module And Antilock Pressure Valve:






REMOVAL

CAUTION: Do not touch the electrical connections and pins or allow them to come in contact with brake fluid as this will damage the Electronic Brake Control Module (EBCM).

1. Remove electrical connectors.
2. Remove EBCM by prying the tab at the rear if the module and pulling it toward the front of the vehicle.

INSTALLATION

WARNING: Be sure to use the correct EBCM for the system being serviced. The 3500 HD uses the Zero Pressure Rear Wheel Anti Lock (ZPRWAL)EBCM with the gray electrical connector. All other models use the Rear Wheel Anti Lock (RWAL) EBCM with the black electrical connector. Failure to use the correct EBCM will result in a system malfunction.

1. Install EBCM.
- Slide it into the bracket until the tab locks in the hole.

NOTE: If there is brake fluid on the connectors, clean them with water followed by denatured alcohol.

2. Install electrical connectors.