Curiosii for ever!: Car repair manuals for everyone.

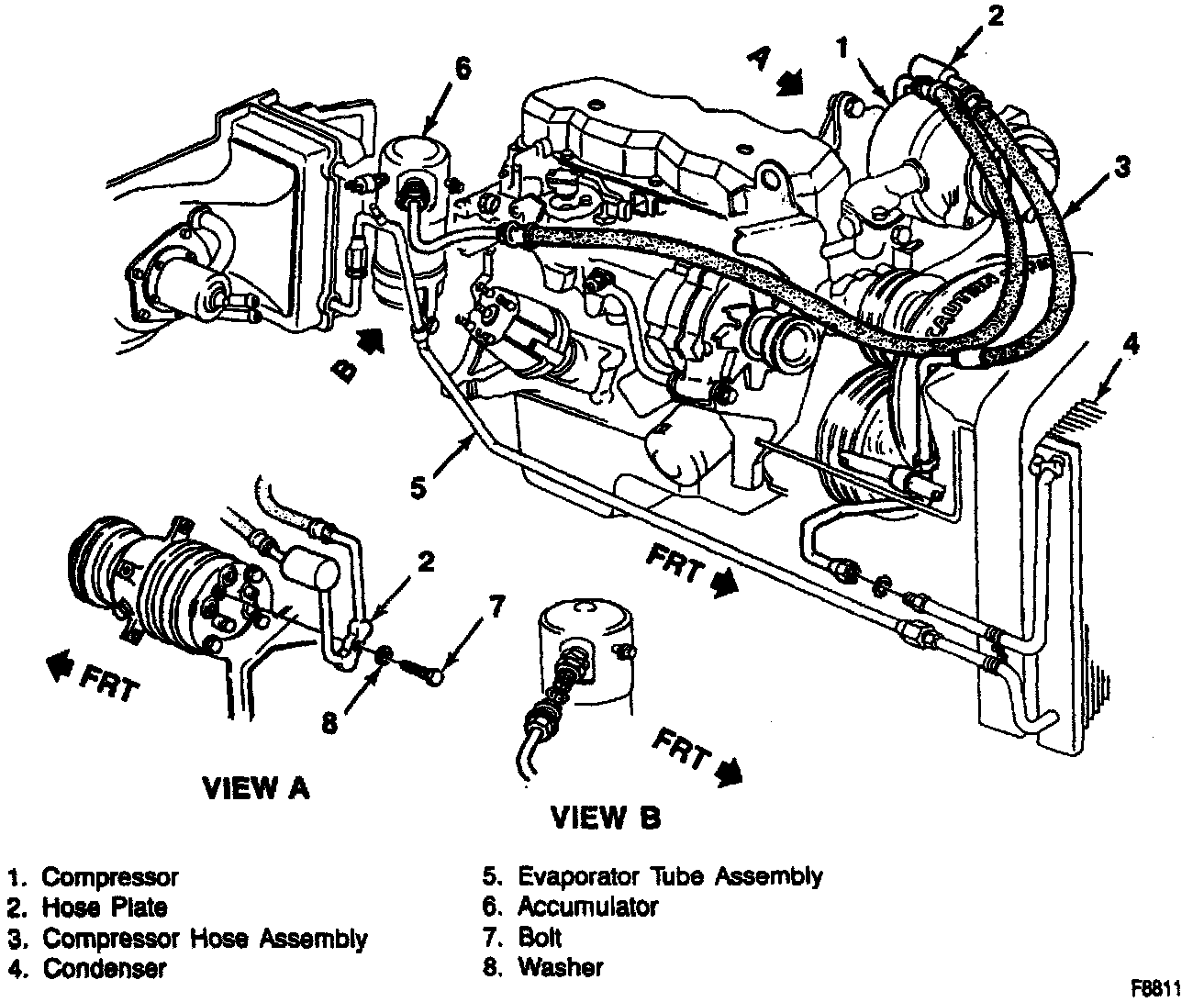
Compressor Replacement

Fitting And Hose Installation:




Compressor Mounting:






REMOVE OR DISCONNECT


1. Discharge and recover refrigerant from the system.

2. Drive belt.

3. Electrical connections as necessary.

4. Bolt (7) and washer (8).

5. Manifold (2) from the rear of the compressor.

6. Mounting bolts (9).

7. Compressor (1) from mounting bracket.

- Drain and measure compressor oil.


INSTALL OR CONNECT


- Drain compressor oil from new compressor.

- Refill new compressor with same amount of oil drained from old compressor. If less than 30 ml (1 fl. oz.) was drained from old compressor add 60 ml (2 fl. oz.).

1. Compressor (1) to mounting bracket.


NOTICE: For steps 2 and 4 refer to "Fasteners" under "Vehicle Damage Warnings."


2. Mounting bolts (9).


- Tighten bolts (9) to 50 Nm (37 ft. lb.).

3. Manifold (2) to the rear of the compressor.

4. Washer (8) and bolt (7).


- Tighten bolt (7) to 34 Nm (25 fl. lb.).

5. Drive belt.

6. Electrical connections, as necessary.

7. Refrigerant to the system.

- Check the system for leaks.