Curiosii for ever!
: Car repair manuals for everyone.
Home
>>
GMC Truck
>>
1992
>>
Yukon V8-350 5.7L
>>
Repair and Diagnosis
>>
Powertrain Management
>>
Diagrams
>>
Electrical Diagrams
>>
Electronic/Powertrain Control Module (ECM/PCM)
>>
ECM/PCM Inputs/Outputs
>>
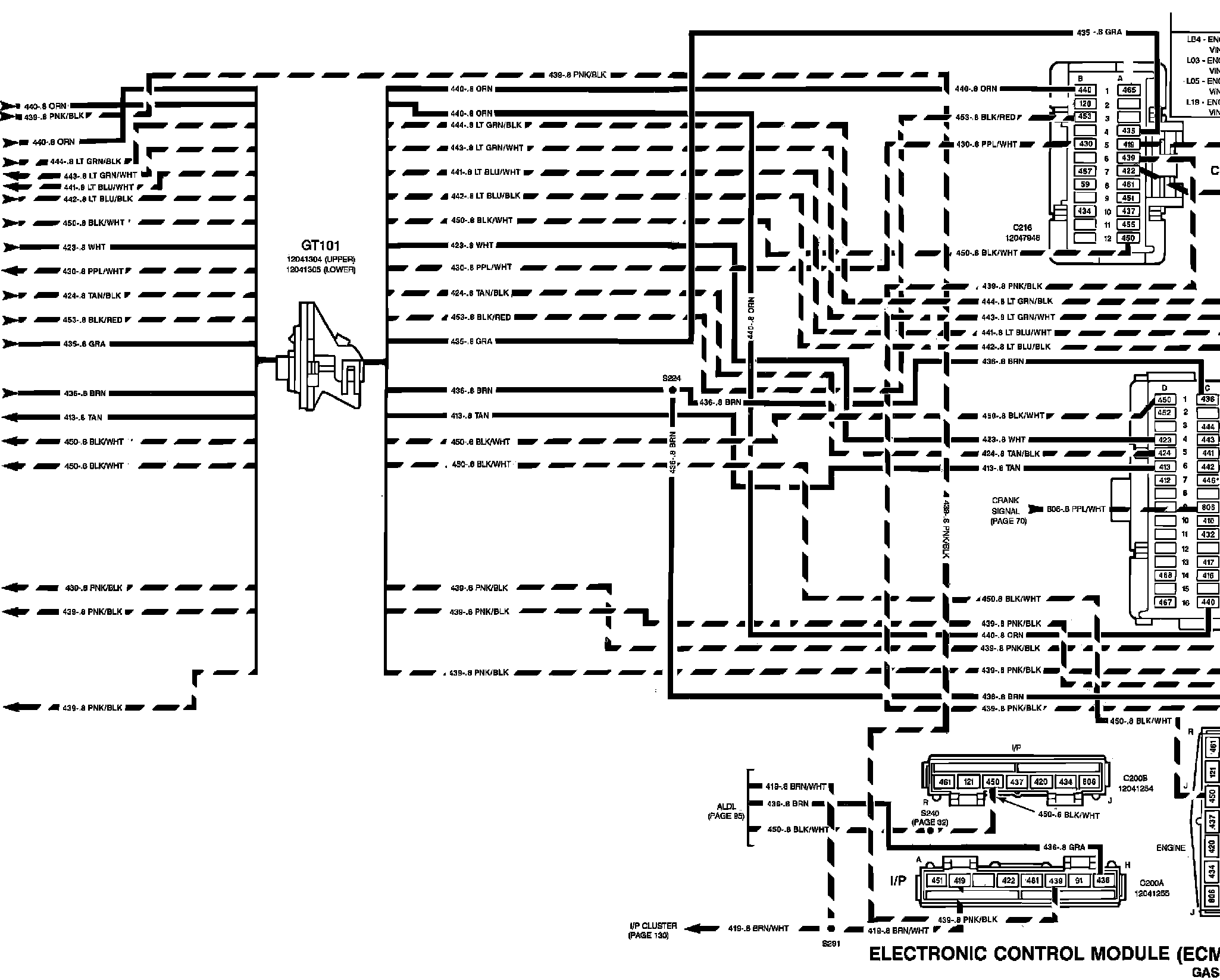
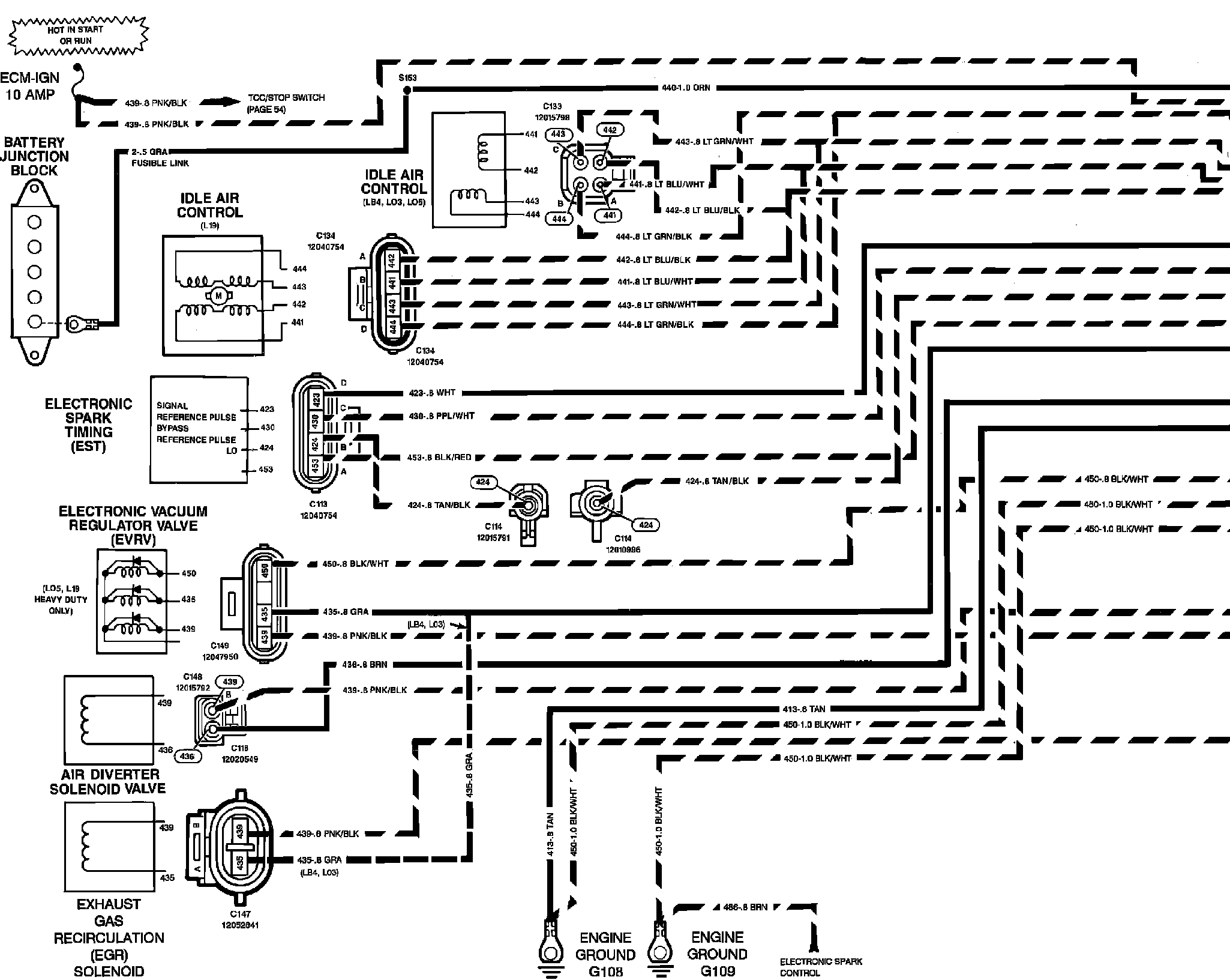
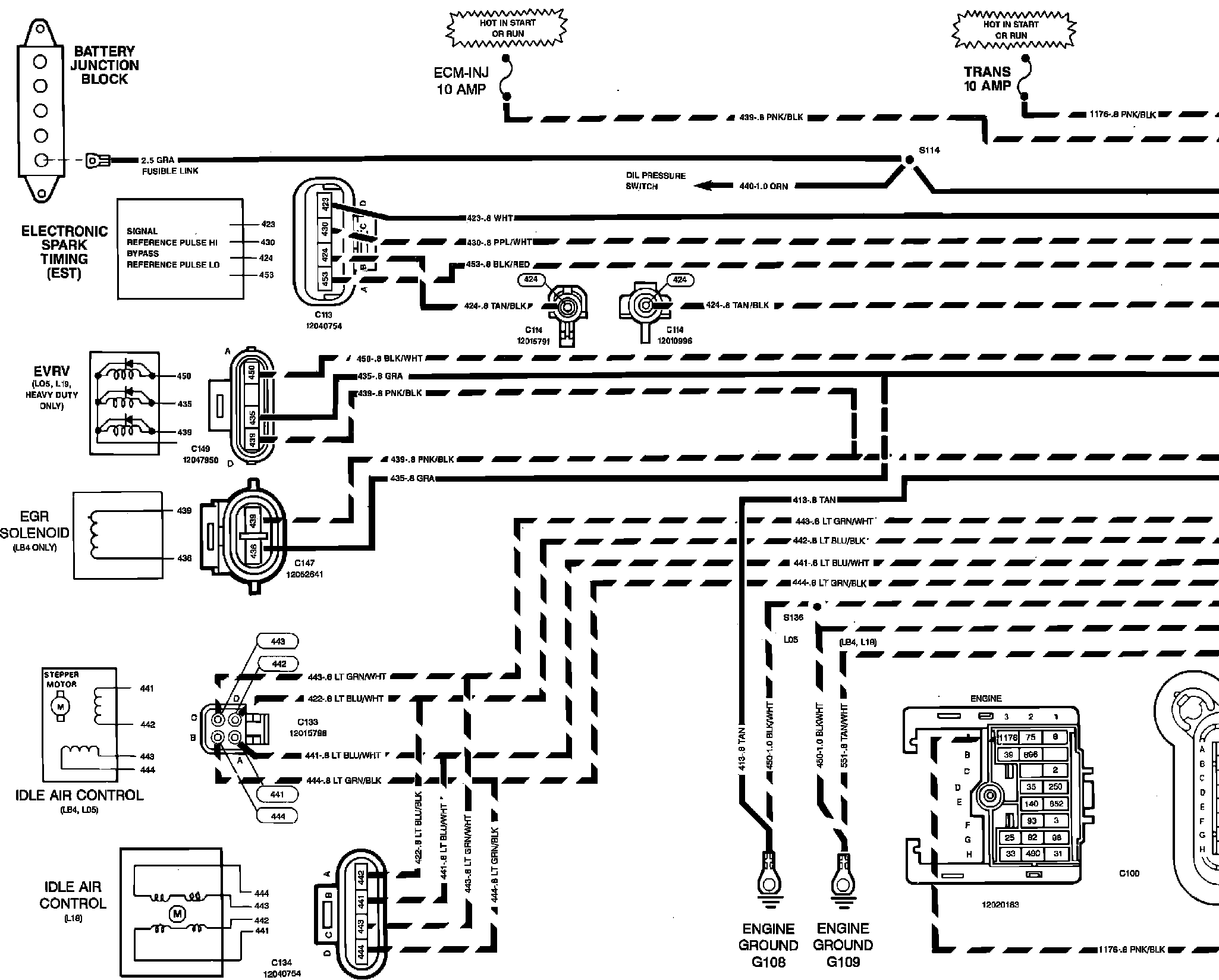
ECM/PCM Outputs
ECM/PCM Outputs
*6�#Electronic Control Module (ECM) Outputs:
X��#Electronic Control Module (ECM) Outputs:
°�#Powertrain Control Module (PCM) Outputs:
�|�#Powertrain Control Module (PCM) Outputs: