Curiosii for ever!
: Car repair manuals for everyone.
Home
>>
GMC Truck
>>
1992
>>
Yukon V8-350 5.7L
>>
Repair and Diagnosis
>>
Powertrain Management
>>
Diagrams
>>
Electrical Diagrams
>>
Electronic/Powertrain Control Module (ECM/PCM)
>>
ECM/PCM Inputs/Outputs
>>
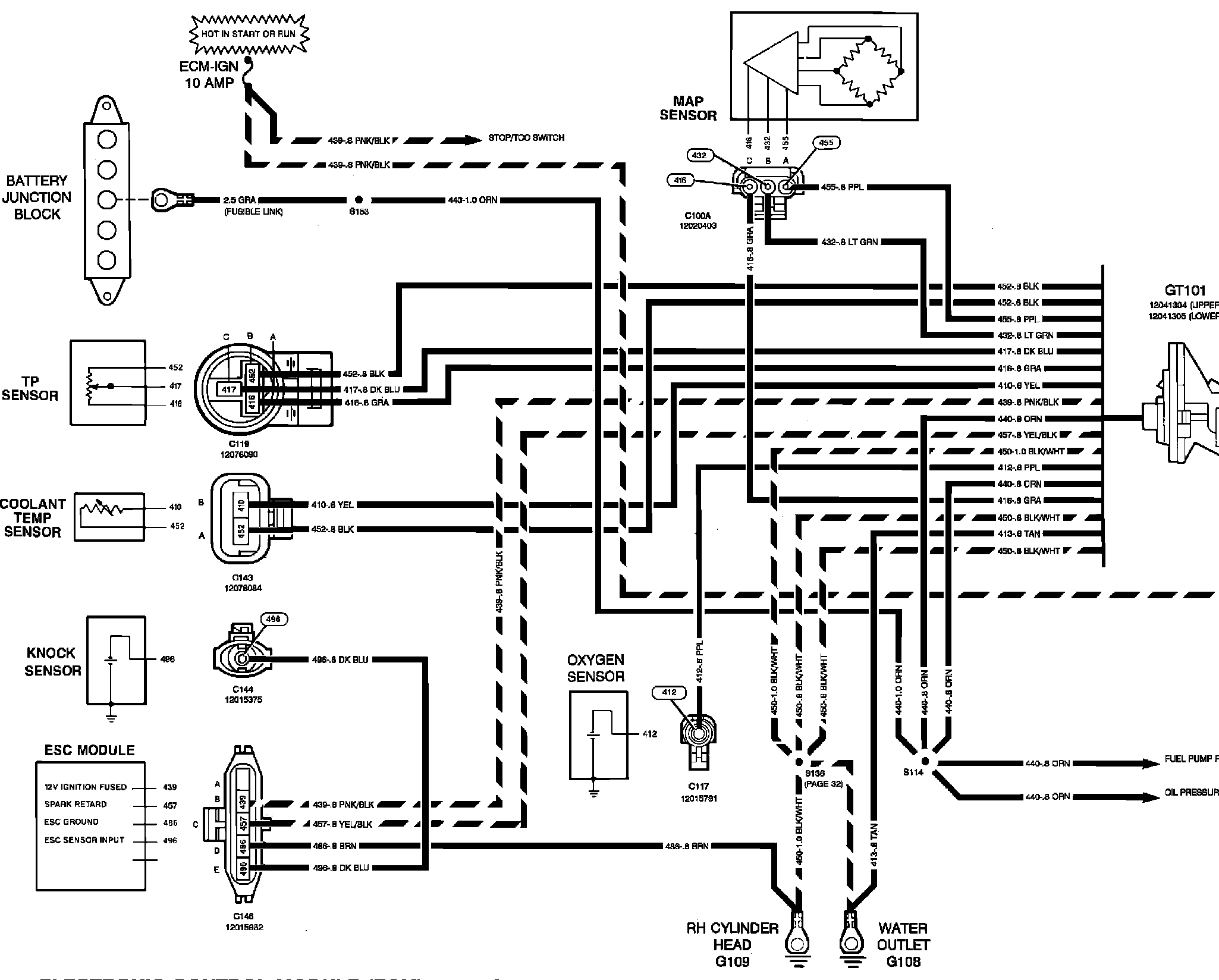
ECM/PCM Inputs
ECM/PCM Inputs
���#Electronic Control Module (ECM) Inputs:
%�#Electronic Control Module (ECM) Inputs:
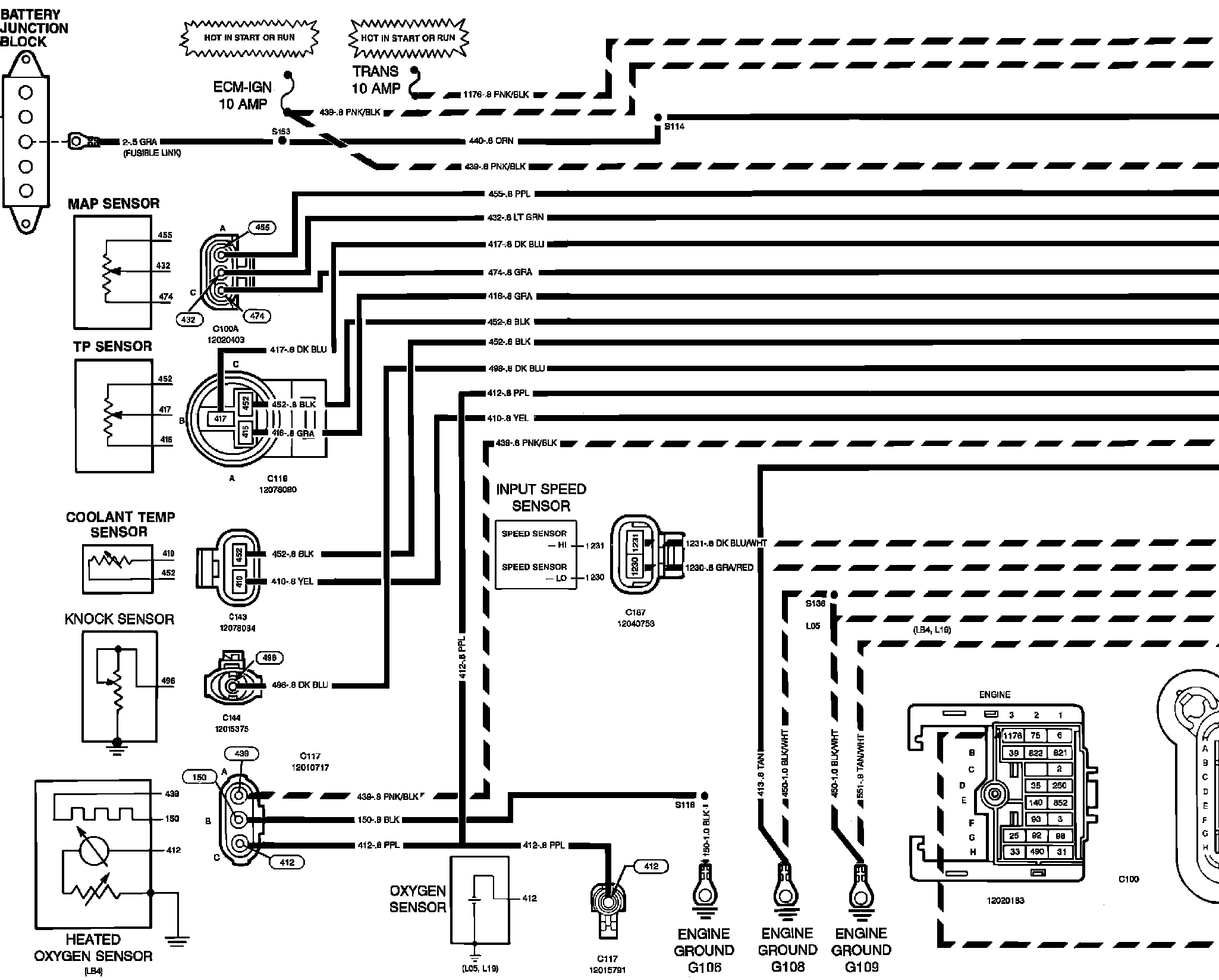
W|�#Powertrain Control Module (PCM) Inputs:
���#Powertrain Control Module (PCM) Inputs: