Curiosii for ever!
: Car repair manuals for everyone.
Home
>>
GMC Truck
>>
1992
>>
Yukon V8-350 5.7L
>>
Repair and Diagnosis
>>
Powertrain Management
>>
Computers and Control Systems
>>
Barometric Pressure Sensor
>>
Locations
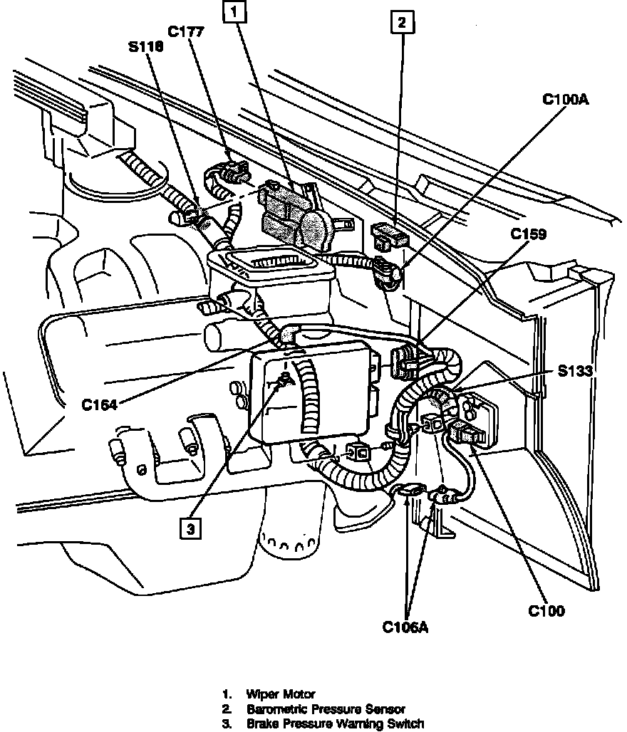
Barometric Pressure Sensor: Locations
LH Cowl Components:
LH Top Of Cowl
Applicable to: 1992 Diesel Engine