Curiosii for ever!
: Car repair manuals for everyone.
Home
>>
GMC Truck
>>
1992
>>
Yukon V8-350 5.7L
>>
Repair and Diagnosis
>>
Diagrams
>>
Electrical Diagrams
>>
Powertrain Management
>>
System Diagram
>>
Transmission Control Module (TCM)
>>
Inputs
Inputs
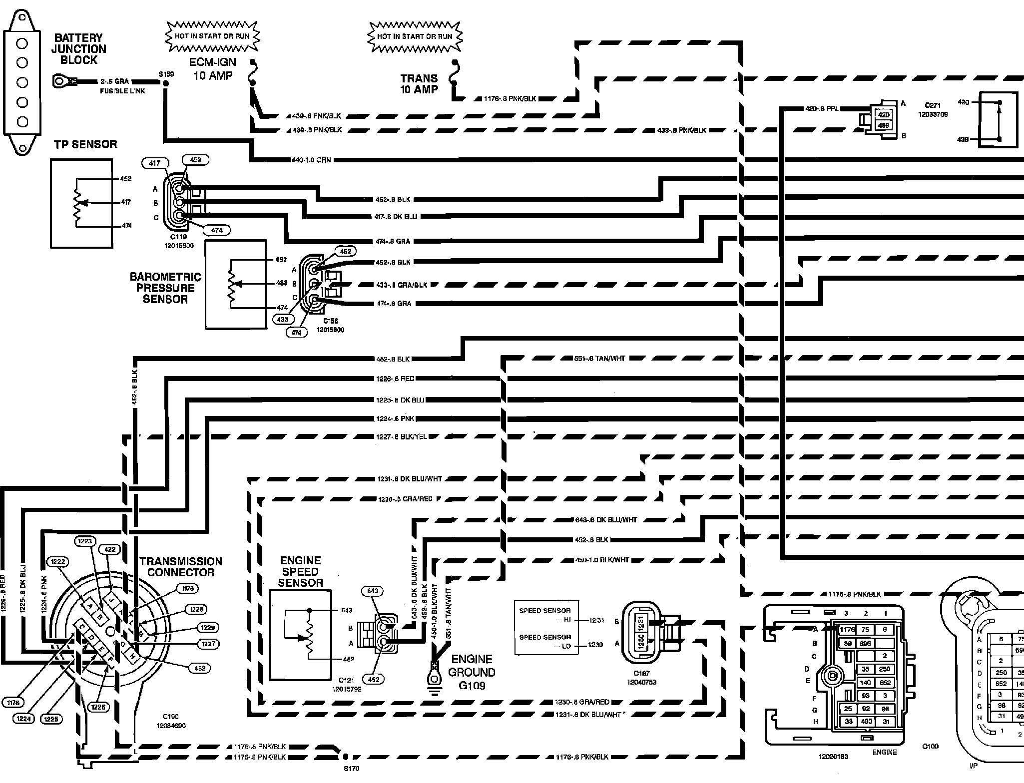
���%Transmission Control Module (TCM) Inputs:
�7�%Transmission Control Module (TCM) Inputs: