Curiosii for ever!
: Car repair manuals for everyone.
Home
>>
GMC Truck
>>
1992
>>
Syclone V6-262 4.3L Turbo
>>
Repair and Diagnosis
>>
Relays and Modules
>>
Relays and Modules - Brakes and Traction Control
>>
Electronic Brake Control Module
>>
Locations
>>
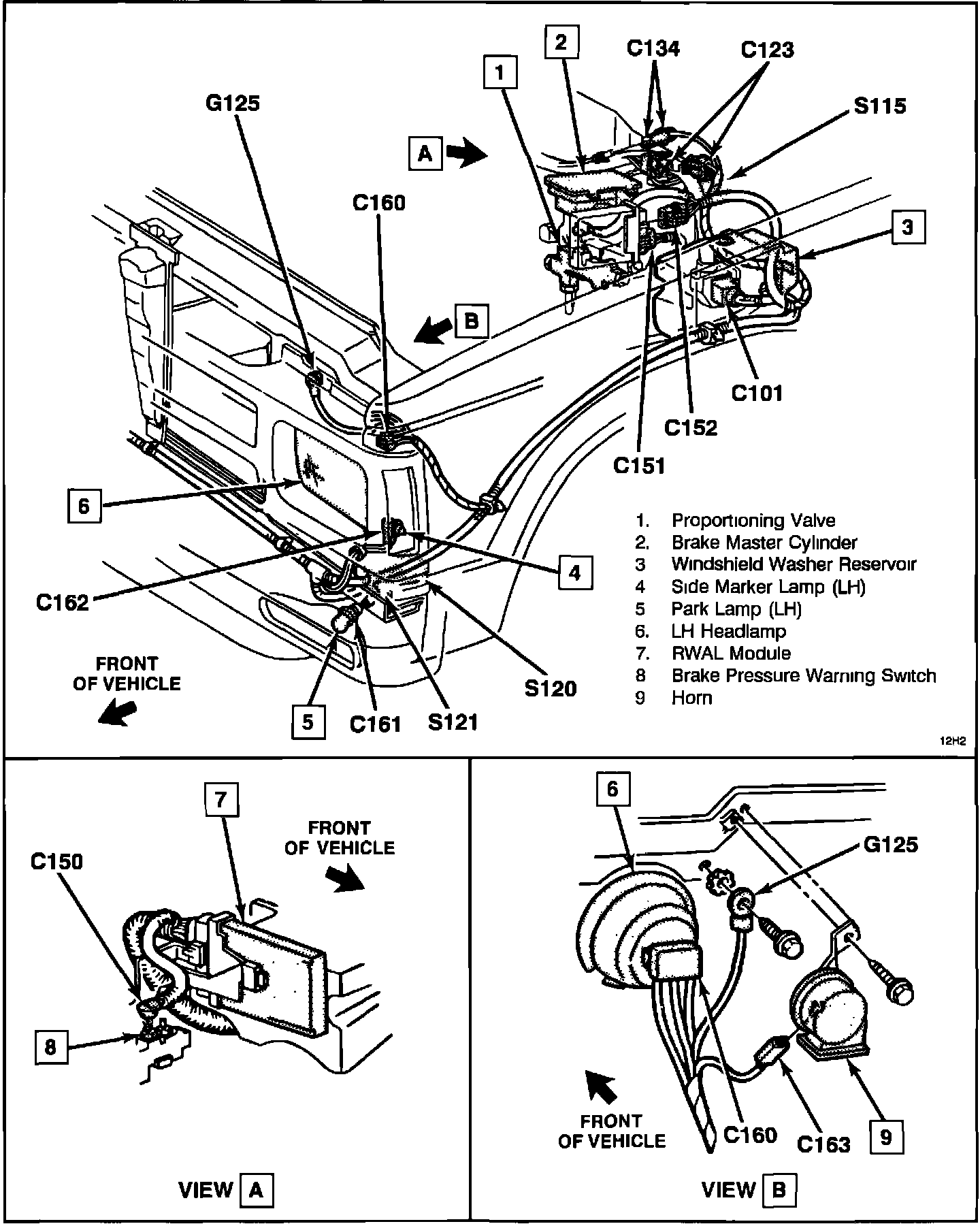
Rear Wheel Antilock (RWAL) Module
Rear Wheel Antilock (RWAL) Module
Forward Lights Harness, LH Side (W/Rear Wheel Antilock Brakes):