Curiosii for ever!
: Car repair manuals for everyone.
Home
>>
GMC Truck
>>
1992
>>
Syclone V6-262 4.3L Turbo
>>
Repair and Diagnosis
>>
Powertrain Management
>>
Computers and Control Systems
>>
Coolant Temperature Sensor/Switch (For Computer)
>>
Locations
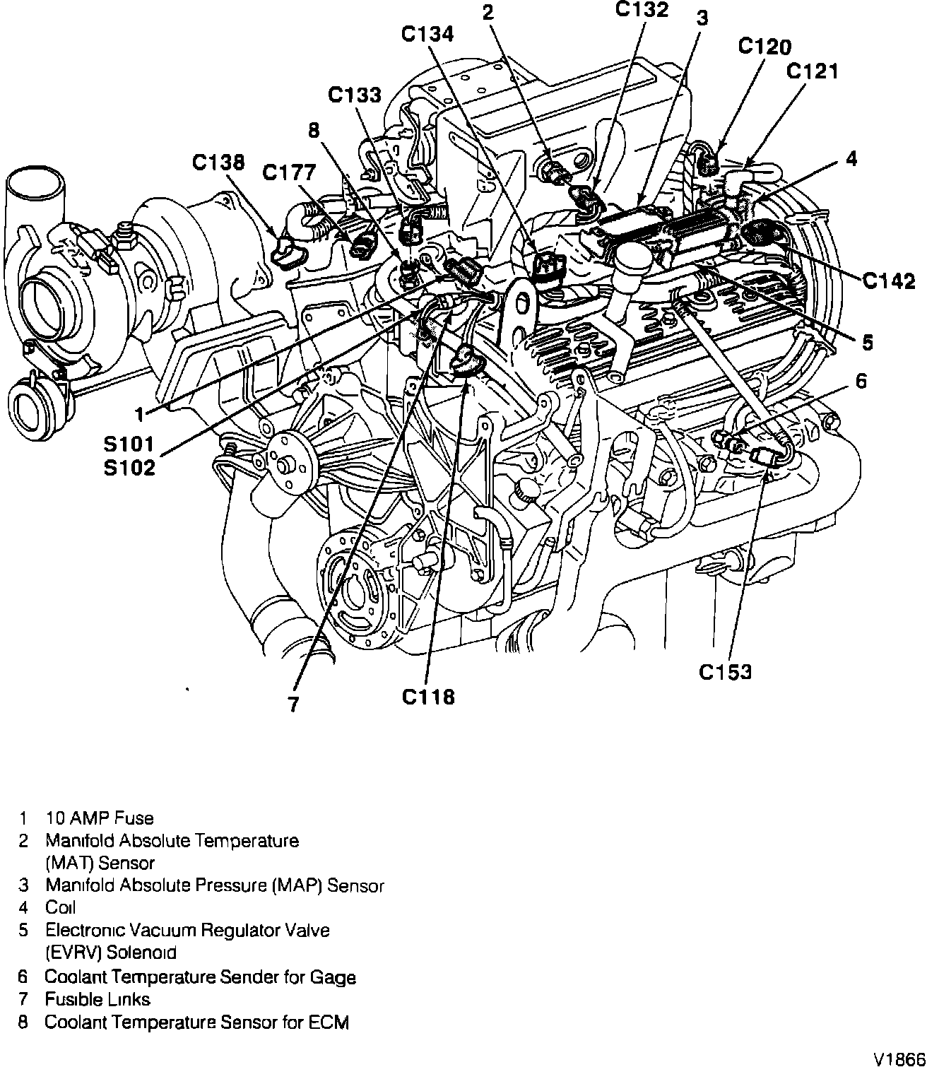
Coolant Temperature Sensor/Switch (For Computer): Locations
Left Front Engine Harness: