Curiosii for ever!
: Car repair manuals for everyone.
Home
>>
GMC Truck
>>
1992
>>
Syclone V6-262 4.3L Turbo
>>
Repair and Diagnosis
>>
Diagrams
>>
Components
>>
Miscellaneous Components
>>
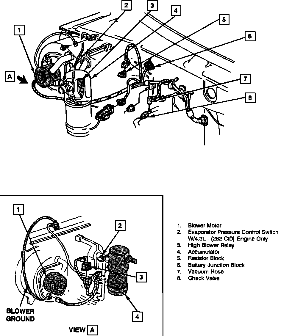
Accumulator
Accumulator
Heater & A/C Components:
LH Side Of Cowl Panel, In Engine Compartment