Curiosii for ever!
: Car repair manuals for everyone.
Home
>>
GMC Truck
>>
1991
>>
Syclone V6-262 4.3L Turbo
>>
Repair and Diagnosis
>>
Diagrams
>>
Components
>>
Modules
>>
Rear Wheel Anti-Lock Brake Module
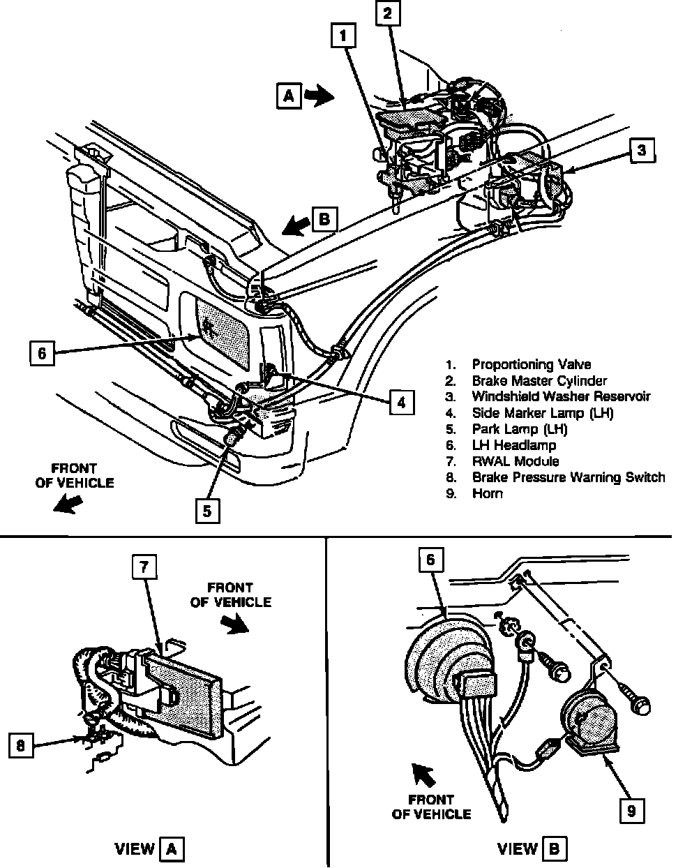
Rear Wheel Anti-Lock Brake Module
Anti-Lock Brake Components.:
LH Side Of Engine Compartment
Applicable to: 1991 Blazer, Jimmy, S10 & S15 & 1992 S10 & Sonoma