Curiosii for ever!
: Car repair manuals for everyone.
Home
>>
GMC Truck
>>
1989
>>
Safari Van M L4-151 2.5L
>>
Repair and Diagnosis
>>
Relays and Modules
>>
Relays and Modules - Brakes and Traction Control
>>
Electronic Brake Control Module
>>
Locations
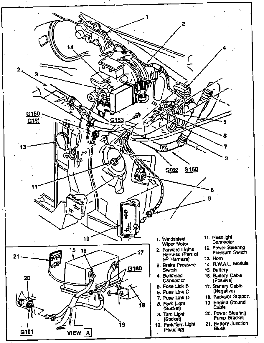
Electronic Brake Control Module: Locations
RH Side Of Engine Compartment:
Next To Master Cylinder