Curiosii for ever!: Car repair manuals for everyone.

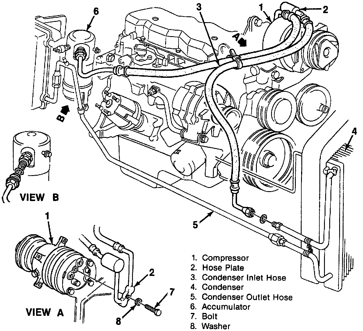
Compressor Replacement

Fittings and Hoses:




Compressor Replacement:







REMOVE OR DISCONNECT

1. Negative battery cable.
2. Refrigerant from the system.

^ Cap or plug all open connections.

3. Electrical connection.
4. Drive belt from the compressor.
5. Bolt (7), washer (8) and hose manifold (2).
6. Mounting bolts (2).
7. Compressor (1).

INSTALL OR CONNECT

1. Compressor (1).
2. Mounting bolts (2).

^ Tighten bolts to 50 Nm (37 ft. lbs.).

3. Hose manifold (2), washer (8) and bolt (17).

^ Tighten bolt (17) to 34 Nm (25 ft. lbs.).

4. Drive belt to the compressor.
5. Electrical connection.
6. Refrigerant to the system.

^ Leak test.

7. Negative battery cable.