Curiosii for ever!: Car repair manuals for everyone.

Checking the Boost Pressure Sensor Calibration






CHECKING THE BOOST PRESSURE SENSOR CALIBRATION





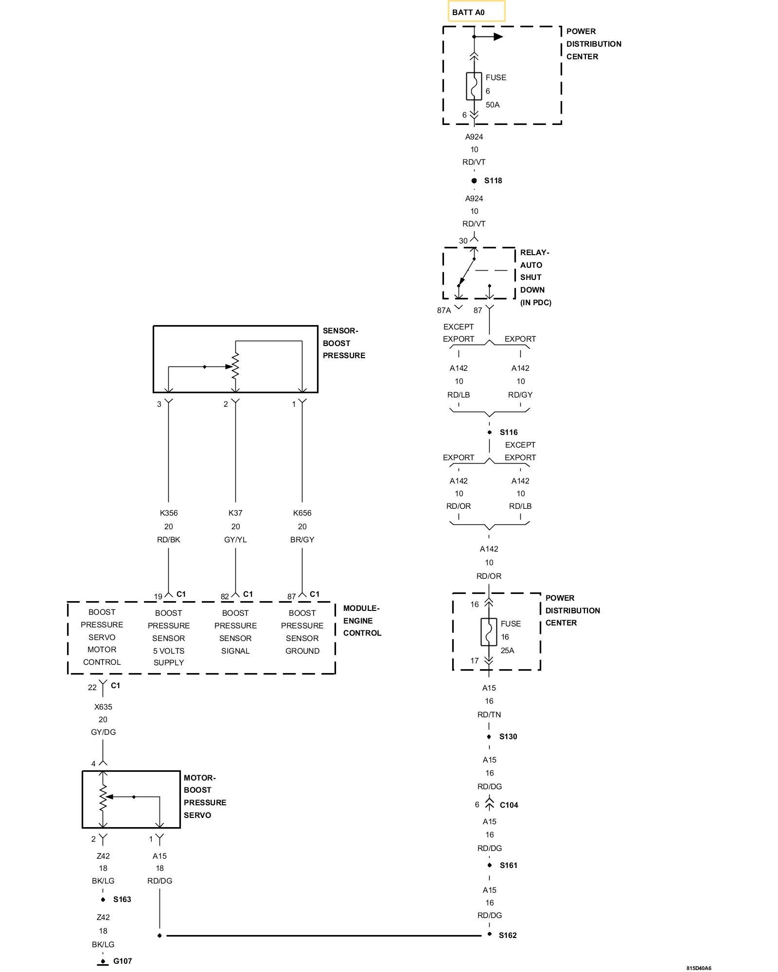
For a complete wiring diagram, Refer to the Wiring Information Electrical Diagrams Electrical Diagrams





BOOST PRESSURE SENSOR CALIBRATION
1. Turn the ignition on.
2. With the scan tool, read the Boost Pressure Voltage and Boost Pressure hpa.

NOTE: The Boost Pressure hpa and Intake/Inlet Air Pressure hpa readings should both match closely to the Atmospheric Pressure hpa reading. These readings will change depending on altitude.

Is the Boost Pressure Voltage between 1.15 and 1.38 volt?

Yes

- Test Complete.

No

- Replace the Turbocharger Boost Pressure Sensor.
- Perform the ECM Verification Test. Verification Tests.