Curiosii for ever!: Car repair manuals for everyone.

Fuse/Relay Block #2






DESCRIPTION





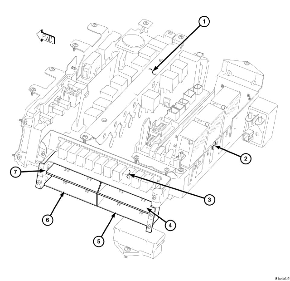
The Fuse/Relay Block #2 located on the left side of the driver seat consists of the following individual components:

- Relay Block (3)
- Fuse Block #3 (7)
- Fuse Block #4 (4)
- Fuse Block #5 (6)
- Fuse Block #6 (5)

In the event that the Fuse/Relay Block #2 requires repairs, it can be accessed by removing the driver front seat and the seat riser cover.