Curiosii for ever!
: Car repair manuals for everyone.
Home
>>
Freightliner Truck
>>
2006
>>
Sprinter 2500 L5-2.7L DSL Turbo
>>
Repair and Diagnosis
>>
Powertrain Management
>>
Transmission Control Systems
>>
Diagrams
>>
Electrical Diagrams
>>
System Schematics
System Schematics
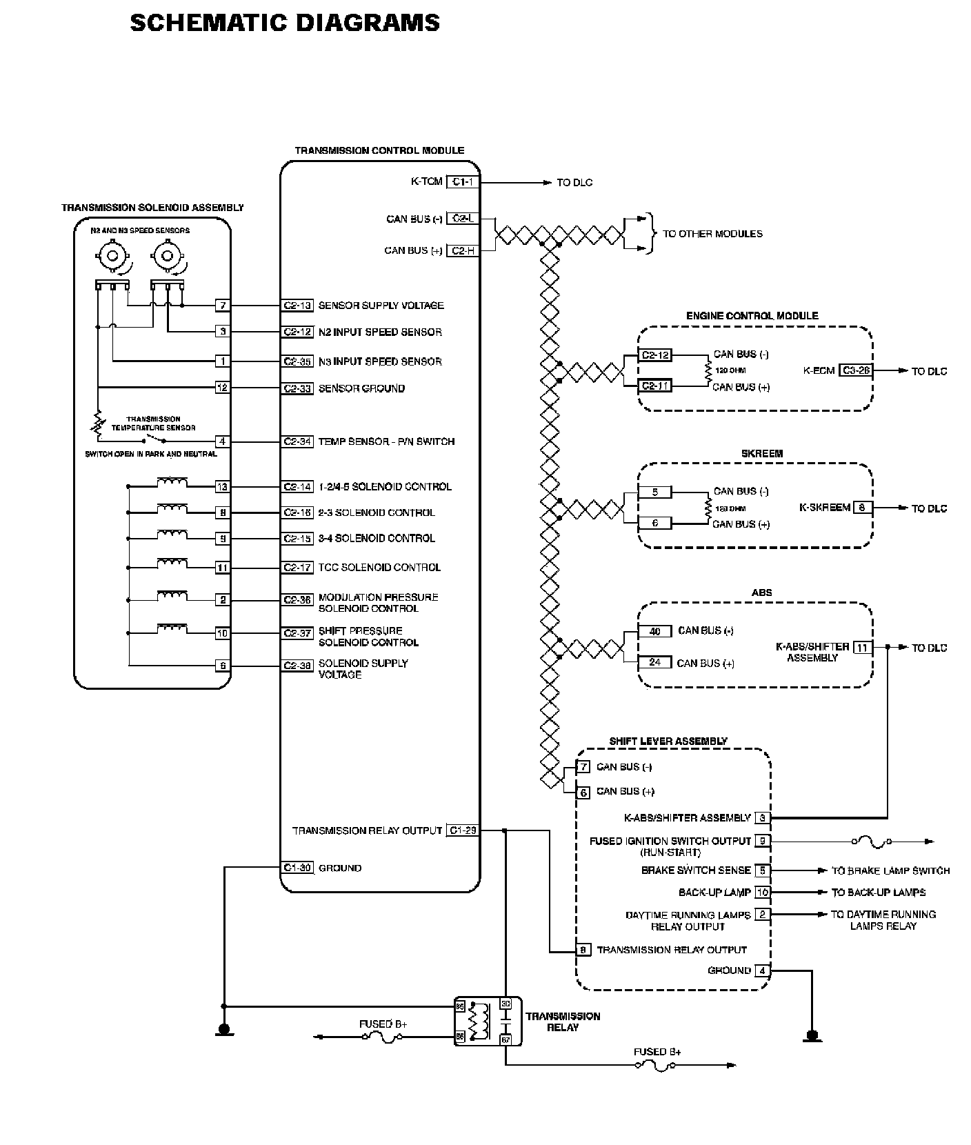
SCHEMATIC DIAGRAMS: