Curiosii for ever!: Car repair manuals for everyone.

Keyless Entry

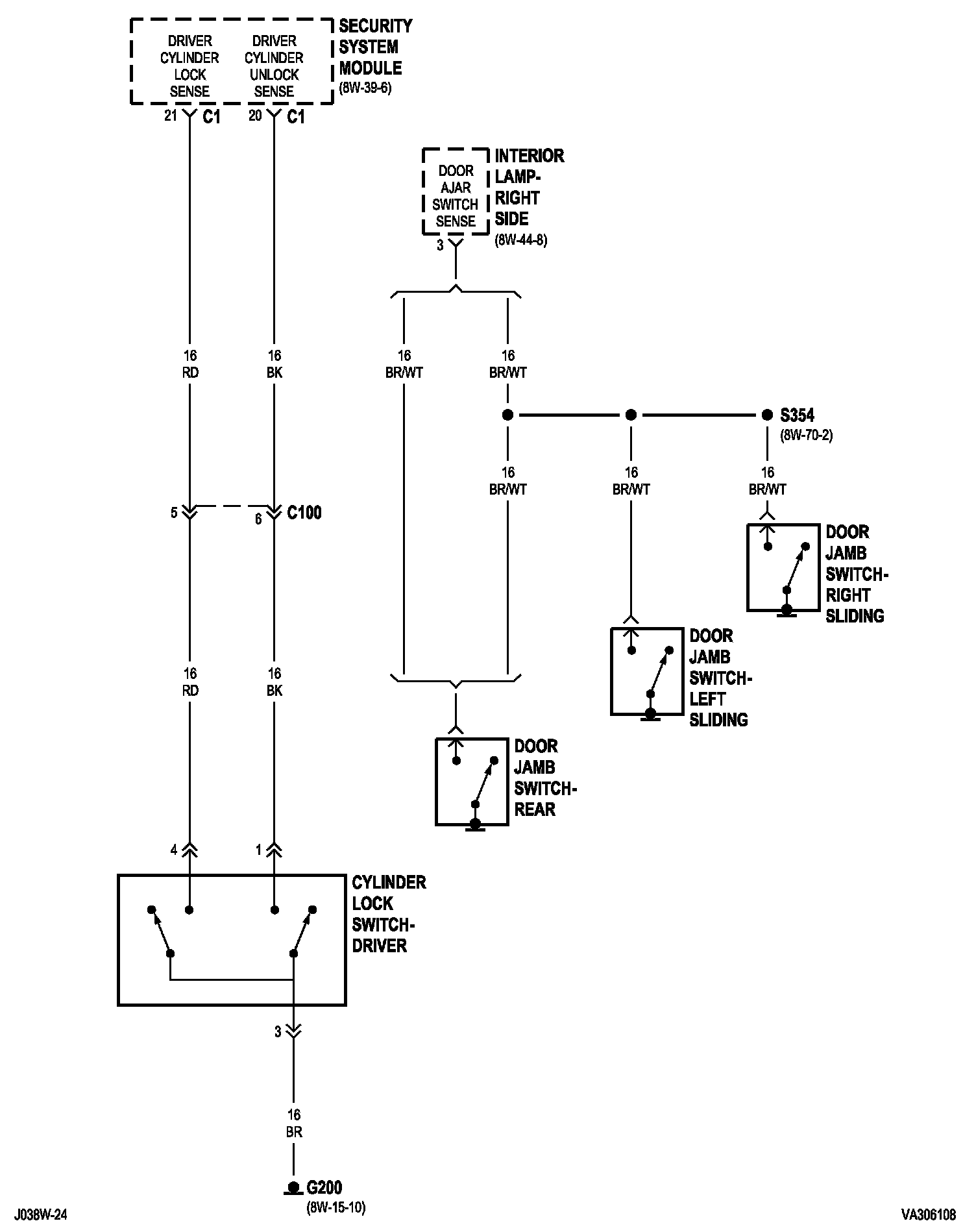
PLEASE NOTE: Some diagrams may appear to be missing because of gaps in the number sequences. These "gaps" are actually for diagrams that do not apply to the vehicle model selected.


8W-61-2:






8W-61-3:






8W-61-4:






8W-61-5:






8W-61-6:






8W-61-7:






8W-61-8:






Other Diagrams: Other diagrams referred to by number (i.e. 8W-70-2, etc.) within these diagrams can be found at the vehicle level under Diagrams by Number. Diagrams By Number