Curiosii for ever!: Car repair manuals for everyone.

Removal and Replacement




Intake Manifold





Coolant Hoses and Electrical Connectors










Throttle Body and Spacer Assembly










Supercharger (SC) Drive Belt, Intake Manifold and Gaskets









Removal

WARNING: Do not smoke, carry lighted tobacco or have an open flame of any type when working on or near any fuel-related component. Highly flammable mixtures are always present and may be ignited. Failure to follow these instructions may result in serious personal injury.

WARNING: Before working on or disconnecting any of the fuel tubes or fuel system components, relieve the fuel system pressure to prevent accidental spraying of fuel. Fuel in the fuel system remains under high pressure, even when the engine is not running. Failure to follow this instruction may result in serious personal injury.

NOTICE: During engine repair procedures, cleanliness is extremely important. Any foreign material, including any material created while cleaning gasket surfaces that enters the oil passages, coolant passages or the oil pan, can cause engine failure.

1. Release the fuel system pressure.

2. Drain the engine cooling system. For additional information, refer to Cooling System &/or Engine Block Heater.

3. Drain the Supercharger (SC) cooling system. For additional information, refer to Cooling System.

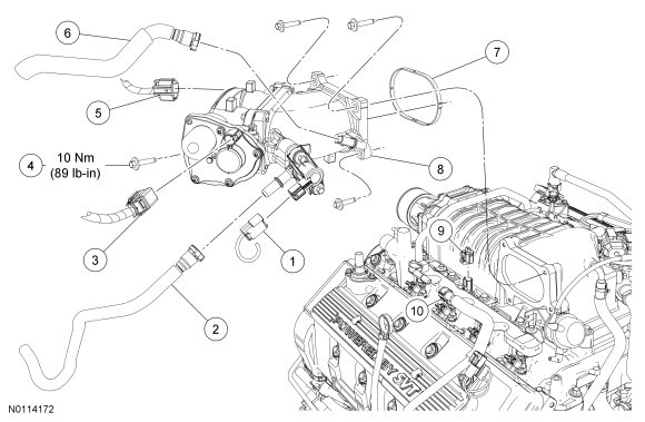
4. Remove the Air Cleaner (ACL) outlet pipe.

5. Disconnect the battery ground cable.

6. Remove the EGR tube.

7. Disconnect the Throttle Position (TP) sensor electrical connector.

8. Disconnect the Evaporative Emission (EVAP) tube and electrical connector from the EVAP (Evaporative Emission) canister purge valve and the brake booster vacuum supply tube from the Throttle Body (TB) spacer.





9. Remove the 4 bolts and the TB (Throttle Body) and spacer assembly aside.

10. Disconnect the Intake Air Temperature 2 (IAT2) sensor electrical connector.

11. Disconnect the fuel supply tube.

12. Disconnect the 4 LH fuel injector electrical connectors.

13. Remove the 2 bolts and the wiring harness retainer from the rear of the intake manifold.

14. Detach the 2 wiring harness pin-type retainers from the rear of the intake manifold.

15. Disconnect the fuel rail pressure and temperature sensor electrical connector.

16. Disconnect the 4 RH fuel injector electrical connectors.

17. Disconnect the EGR system module electrical connector.

18. Disconnect the crankcase ventilation tube from the RH side of the SC (Supercharger).

19. Disconnect the SC (Supercharger) bubbler hose from the rear of the SC (Supercharger).

20. Rotate the SC (Supercharger) drive belt tensioner clockwise and remove the drive belt from the SC (Supercharger) drive pulley.





21. Disconnect the 2 upper radiator hoses and the 2 coolant vent hoses from the intake manifold.

22. Disconnect the 2 coolant hoses from the Charge Air Cooler (CAC).

23. Disconnect the heater hose located below the rear of the intake manifold.

24. Remove the 14 bolts and the intake manifold assembly.
- Discard the gaskets.


Installation

1. NOTICE: If the engine is repaired or replaced because of upper engine failure, typically including valve or piston damage, check the intake manifold for metal debris. If metal debris is found, install a new intake manifold. Failure to follow these instructions can result in engine damage.

NOTE: Clean the sealing surfaces with metal surface prep. Follow the directions on the packaging. Inspect the mating surfaces.
Using new intake manifold gaskets, position the intake manifold.


2. Install the 14 bolts.
- Tighten in the sequence shown to 10 Nm (89 lb-in).






3. Connect the heater hose located below the rear of the intake manifold.

4. Connect the 2 coolant hoses to the CAC (Charge Air Cooler).

5. Connect the 2 upper radiator hoses and the 2 coolant vent hoses to the intake manifold.

6. Rotate the SC (Supercharger) drive belt tensioner clockwise and install the drive belt onto the SC (Supercharger) drive pulley.





7. Connect the SC (Supercharger) bubbler hose to the rear of the SC (Supercharger).

8. Connect the crankcase ventilation tube to the RH side of the SC (Supercharger).

9. Connect the EGR system module electrical connector.

10. Connect the 4 RH fuel injector electrical connectors.

11. Connect the fuel rail pressure and temperature sensor electrical connector.

12. Attach the 2 wiring harness pin-type retainers to the rear of the intake manifold.

13. Install the wiring harness retainer and the 2 bolts onto the rear of the intake manifold.

14. Connect the 4 LH fuel injector electrical connectors.

15. Connect the fuel supply tube.

16. Connect the IAT2 (Intake Air Temperature 2) sensor electrical connector.

17. Install the TB (Throttle Body) and spacer assembly and the 4 bolts.
- Tighten to 10 Nm (89 lb-in).


18. Connect the EVAP (Evaporative Emission) tube and electrical connector from the EVAP (Evaporative Emission) canister purge valve and the brake booster vacuum supply tube from the TB (Throttle Body) spacer.





19. Connect the TP (Throttle Position) sensor electrical connector.

20. Install the EGR tube.

21. Install the ACL (Air Cleaner) outlet pipe.

22. Connect the battery ground cable.

23. Fill and bleed the SC (Supercharger) cooling system. For additional information, refer to Cooling System.

24. Fill and bleed the engine cooling system. For additional information, refer to Cooling System &/or Engine Block Heater.