Curiosii for ever!: Car repair manuals for everyone.

Console - Floor




Console - Floor

Trim Panels, Mouldings And Fasteners

NOTE: Floor console with navigation shown, floor console without navigation similar.









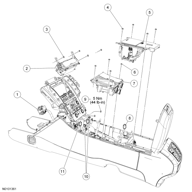
Trim Panels And Fasteners

NOTE: Floor console with navigation shown, floor console without navigation similar.









Removal and Installation

1. Place the selector lever in the NEUTRAL position.

2. Position the front seats to the full rearward and downward positions.

3. Pull the middle and rear of the floor console LH and RH lower trim panels outward to release the retaining clips.

4. NOTICE: Damage to the floor console upper trim panels may occur if cardboard is not used to remove the floor console lower trim panels.

NOTE: Floor console LH lower trim panel shown, floor console RH lower trim panel similar.

Position a piece of cardboard between the floor console LH and RH lower trim panels and floor console.





5. Remove the floor console LH lower trim panel.
- Push the floor console LH lower trim panel toward the front of the vehicle to detach the trim panel from the pin-type retainer.





6. Remove the floor console RH lower trim panel.
- Pull the floor console RH lower trim panel down toward the floor of the vehicle to detach the trim panel from the pin-type retainer.





7. Position the front seats forward.

8. Remove the 2 floor console lower rear screws.

9. Position the front seats rearward.

10. Remove the steering column opening trim panel in the following sequence.

1. Remove the 2 steering column opening trim panel screws.

2. Pull the steering column opening trim panel down toward the floor of the vehicle to release the retaining clips.

11. Remove the floor console LH and RH finish mouldings in the following sequence.

1. Lift up the rear of the floor console finish mouldings to release the retaining clips from the floor console.

2. Pull the floor console finish mouldings toward the rear of the vehicle to release the retaining clips from the center instrument finish panel.

3. Disconnect the trunk release switch and start/stop button electrical connector, if equipped.

NOTICE: Damage to the floor console may occur if cardboard is not used to remove the floor console upper trim panel.

NOTE: Floor console LH upper trim panel shown, floor console RH upper trim panel similar.

12. Remove the floor console LH upper trim panel in the following sequence.

1. Pull the rear of the floor console LH upper trim panel away from the floor console, releasing the retaining clips.

2. Position a piece of cardboard between the floor console LH upper trim panel and floor console.

3. Pull the floor console LH upper trim panel toward the rear of the vehicle to release the retaining clips from the instrument panel.





13. Remove the 2 pushpin carpet retainers, 4 floor console lower front and middle screws.

14. Remove the selector lever bezel. For additional information, refer to Automatic Transaxle/Transmission External Controls Selector Lever Bezel.

15. Remove the media bin/storage compartment in the following sequence.

1. Remove the 4 screws and lift up the media bin/storage compartment.

2. Disconnect the electrical connector(s).

16. Disconnect the floor console bulkhead electrical connector.

17. Detach the wire harness pin-type retainer from the floor console.

18. Remove the 2 floor console upper bolts.

19. Disconnect the selector lever cable from the selector lever.





20. Remove the selector cable from the selector lever cable bracket.
- Release the 2 selector cable retaining tabs and pull the selector lever upward.





21. Remove the floor console.
- Pull the floor console rearward to release the retaining clips from the instrument panel.

22. To install, reverse the removal procedure.
- To install, make sure to align the retaining clips to the adjacent retaining clip holes.