Curiosii for ever!: Car repair manuals for everyone.

Brake Pedal Assy: Service and Repair




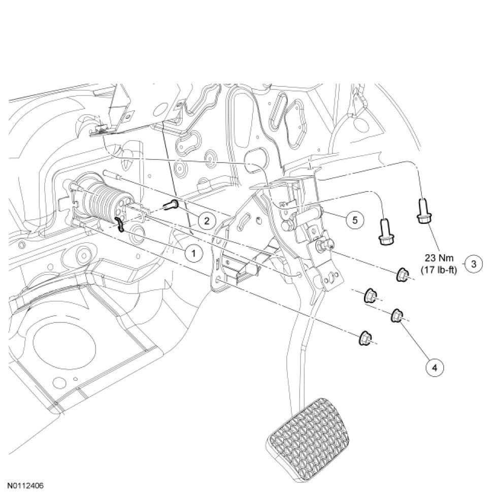
Brake Pedal and Bracket - Non-Hybrid









Removal and Installation

1. NOTICE: Do not service the brake pedal or brake booster without first removing the stoplamp switch. This switch must be removed with the brake pedal in the at-rest position. The switch plunger must be compressed for the switch to rotate in the bracket. Attempting to remove the switch when the plunger is extended (during pedal apply) will result in damage to the switch.

Remove the stoplamp switch. For additional information, refer to Exterior Lighting Service and Repair.

2. Remove the brake booster push rod pin clip.

3. Remove the brake booster push rod pin.

4. Remove the 2 brake pedal bracket bolts.
- To install, tighten to 23 Nm (17 lb-ft).

5. NOTICE: Use only hand tools to remove the fasteners or damage to the booster may occur.

Remove the 4 brake pedal bracket nuts and the brake pedal and bracket assembly.

6. NOTICE: Do not press, pull or otherwise move the brake pedal while installing the stoplamp switch. This switch must be installed with the booster push rod attached to the brake pedal and with the brake pedal in the at-rest position. Installing this switch with the brake pedal in any other position will result in incorrect adjustment and may damage the switch.

To install, reverse the removal procedure.

7. NOTICE: Use only hand tools to install the fasteners or damage to the booster may occur.

Tighten the brake pedal bracket nuts to 23 Nm (17 lb-ft) in the sequence shown.