Curiosii for ever!: Car repair manuals for everyone.

Auxiliary Climate Control Housing






Auxiliary Climate Control Housing





Auxiliary Line Floorpan Connections










Auxiliary Climate Control Housing









Removal and Installation

All vehicles

1. With the vehicle in NEUTRAL, position it on a hoist. Vehicle Lifting

2. Recover the refrigerant. Component Tests and General Diagnostics

3. Remove the LH quarter trim panel.

4. Drain the engine coolant. Service and Repair

5. Remove the LH rear wheel and tire assembly.

6. Remove the LH rear wheel opening splash shield.

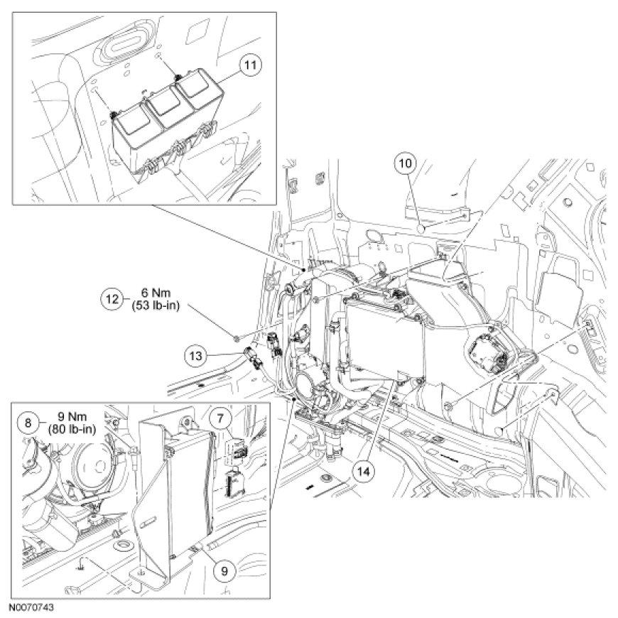
7. Release the auxiliary heater inlet hose clamp and disconnect the auxiliary heater inlet hose.

8. Release the auxiliary heater outlet hose clamp and disconnect the auxiliary heater outlet hose.

9. Remove the auxiliary evaporator outlet line fitting nut and disconnect the fitting.
- To install, tighten to 8 Nm (71 lb-in).

10. Remove the auxiliary evaporator inlet line fitting nut and disconnect the fitting.
- To install, tighten to 8 Nm (71 lb-in).

11. Remove the 2 floorpan bracket nuts.
- To install, tighten to 3 Nm (27 lb-in).

Vehicles with power liftgate

12. Disconnect the power Liftgate/Trunk Module (LTM) electrical connector.

13. Remove the LTM bolt.
- To install, tighten to 9 Nm (80 lb-in).

14. Remove the LTM and bracket.

All vehicles

15. Remove the 2 auxiliary duct pin-type retainers and detach the auxiliary ducts.

16. Disconnect the 2 auxiliary climate control housing electrical connectors.

17. Detach the auxiliary blower motor relay pin-type retainer(s).

18. Remove the 3 auxiliary climate control housing bolts.
- To install, tighten to 6 Nm (53 lb-in).

19. Remove the auxiliary climate control housing.

20. To install, reverse the removal procedure.
- Install new O-ring seals.

- Add the correct amount of clean PAG oil to the refrigerant system. Service and Repair

21. Fill the engine coolant. Service and Repair

22. Evacuate, leak test and charge the refrigerant system. Service and Repair Component Tests and General Diagnostics