Curiosii for ever!
: Car repair manuals for everyone.
Home
>>
Ford
>>
2009
>>
Focus L4-2.0L
>>
Repair and Diagnosis
>>
Body and Frame
>>
Interior Moulding / Trim
>>
Trim Panel
>>
Service and Repair
>>
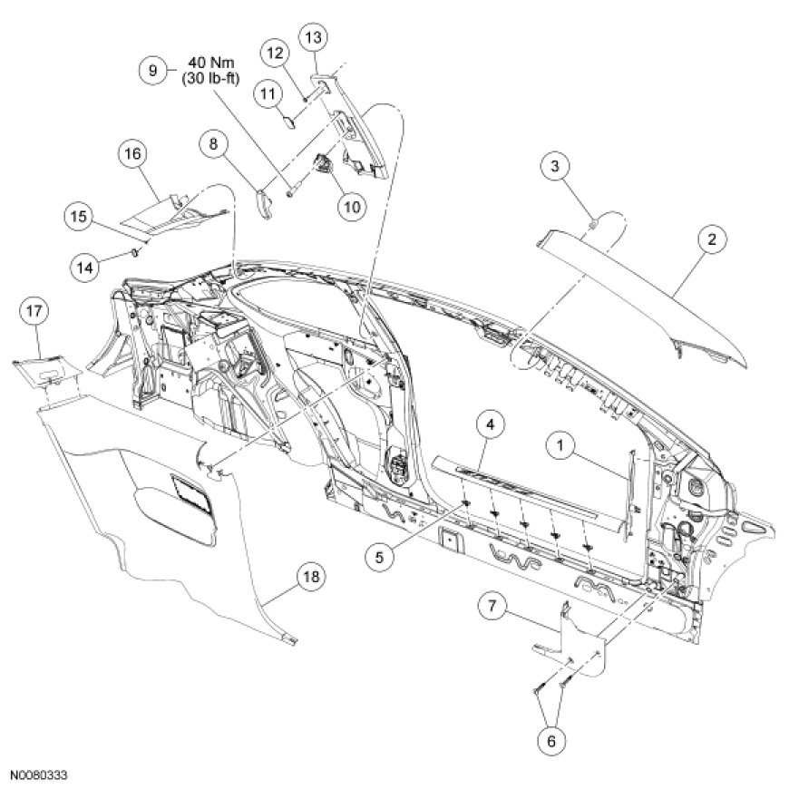
Interior Trim - Exploded View
Interior Trim - Exploded View
Interior Trim - Exploded View
2 Door
NOTE:
LH side shown, RH side similar.
4 Door
NOTE:
LH side shown, RH side similar.
1.
For additional information, refer to the procedures.