Curiosii for ever!: Car repair manuals for everyone.

Electronic Brake Control Module: Service and Repair




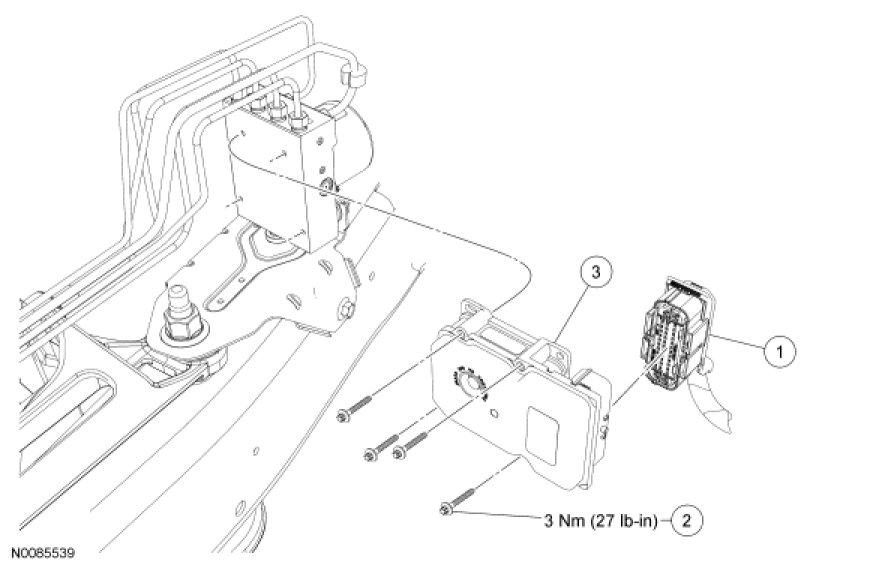
Anti-Lock Brake System (ABS) Module









Removal and Installation

1. Remove the Air Cleaner (ACL).

2. Disconnect the ABS module electrical connector.

3. NOTICE: Care must be taken when removing the module from the Hydraulic Control Unit (HCU) or damage to the component may occur.

Remove the 4 screws and the ABS module.

- To install, tighten to 3 Nm (27 lb-in).

4. NOTE: Make sure that the ABS module-to-Hydraulic Control Unit (HCU) gasket surfaces are clean and that the gasket is correctly installed.

To install, reverse the removal procedure.