Curiosii for ever!: Car repair manuals for everyone.

Instrument Panel and Console

POWER POINT

Exploded View


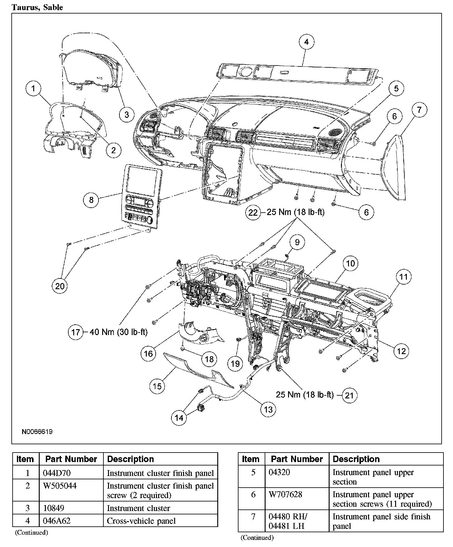
Taurus, Sable (Part 1):






Taurus, Sable (Part 2):






Taurus X (Part 1):






Taurus X (Part 2):






Special Tool(s)


Special Tool(s):






Removal

NOTE: Power point cover may differ depending on location.

1. Open the power point cover.
2. Install the special tool in one of the power point socket slots.







3. Position the special tool so that it engages in the adjacent slot.







4. Using the special tool, pull the power point socket out of the retainer.







5. Disconnect the electrical connector.

Installation
1. Connect the electrical connector.
2. Slide the power point socket into the retainer.