Curiosii for ever!: Car repair manuals for everyone.

Blower Motor Switch: Service and Repair

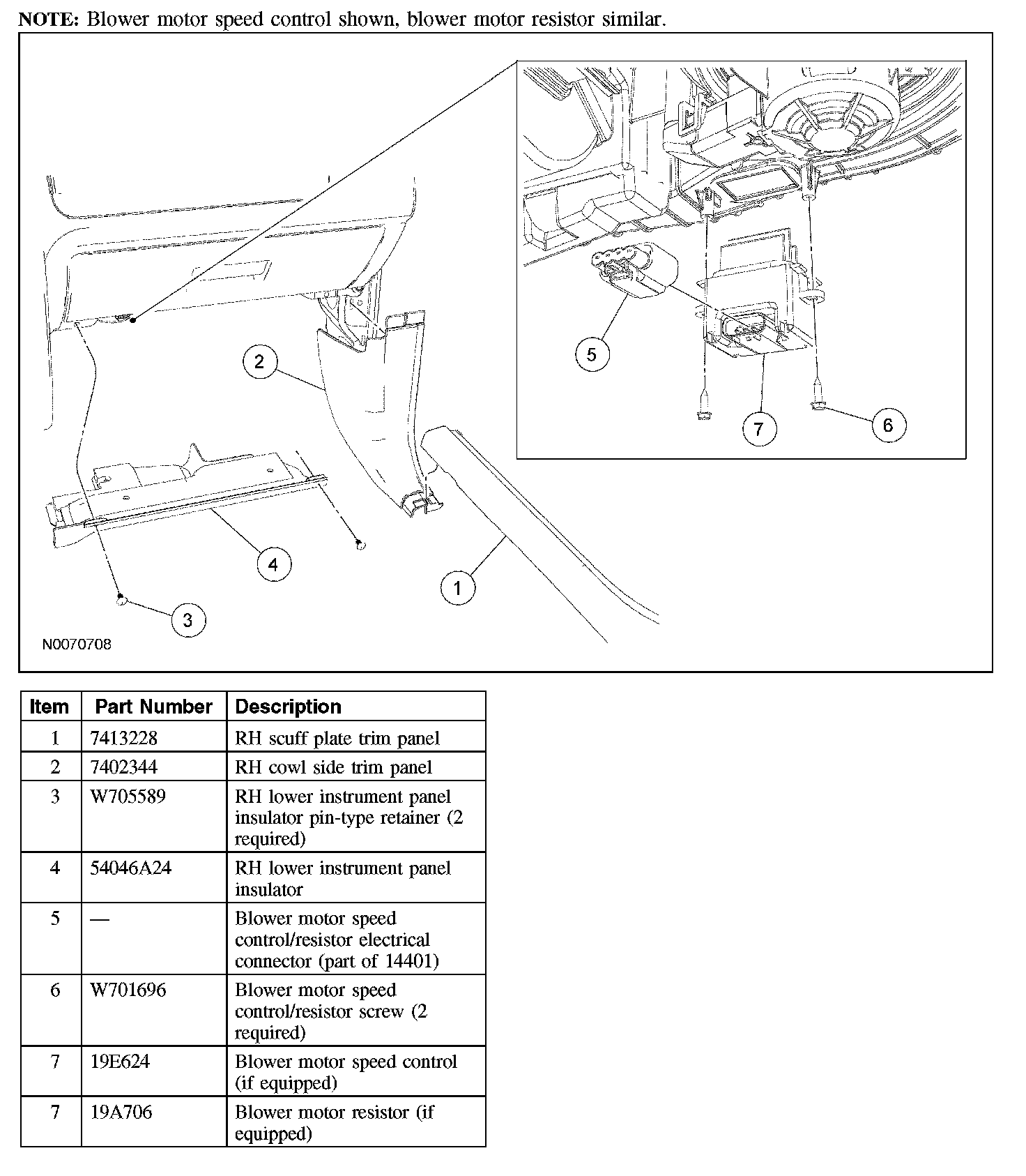
BLOWER MOTOR SPEED CONTROL







Removal and Installation
1. Detach the RH scuff plate trim panel from the RH cowl side trim panel.
2. Remove the RH cowl side trim panel.
3. Remove the 2 RH lower instrument panel insulator pin-type retainers and the RH lower instrument panel insulator.
4. Disconnect the blower motor speed control electrical connector.
5. Remove the 2 blower motor speed control screws.
6. Remove the blower motor speed control.
7. To install, reverse the removal procedure.