Curiosii for ever!: Car repair manuals for everyone.

Wiper Motor: Service and Repair

WIPER MOTOR

Exploded View


Windshield Wiper System (Part 1):






Windshield Wiper System (Part 2):






Removal and Installation

CAUTION: The internal permanent magnets used in the windshield wiper motor are made of a glass-like material. To avoid damaging the magnets, do not handle the windshield wiper motor roughly or strike the motor with a hammer or any other object.

NOTE: A new wiper motor assembly comes with the linkage arm installed.

1. Remove the wiper mounting arm and pivot shaft.

2. NOTE: Do not remove the wiper motor linkage arm from the wiper motor assembly. If the arm is removed, the wiper arms may not park in the correct location.

Separate the wiper motor linkage arm from the wiper mounting arm and pivot shaft assembly.
- Use a suitable tool at the location shown to separate the wiper linkage arm from the wiper mounting arm and pivot shaft assembly.







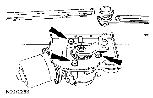
3. Remove the 3 bolts and the windshield wiper motor.
- To install, tighten to 15 Nm (11 lb-ft).







4. To install, reverse the removal procedure.