Curiosii for ever!: Car repair manuals for everyone.

Air Bag Control Module: Service and Repair

RESTRAINTS CONTROL MODULE (RCM)


Part 1:






Part 2:






Removal

WARNING: If a vehicle has been in a crash, inspect the restraints control module (RCM) and the impact sensor (if equipped) mounting areas for deformation. If damaged, restore the mounting areas to the original production configuration. A new RCM and sensors must be installed whether or not the air bags have deployed. Failure to follow these instructions may result in serious personal injury or death in a crash.

CAUTION: Electronic modules are sensitive to static electrical charges. If exposed to these charges, damage may result.

NOTE:
- When installing a new restraints control module (RCM), always make sure the correct RCM is being installed. If an incorrect RCM is installed, erroneous DTCs will result.
- The air bag warning indicator illuminates when the RCM fuse is removed and the ignition switch is ON. This is normal operation and does not indicate a supplemental restraint system (SRS) fault.
- The SRS must be fully operational and free of faults before releasing the vehicle to the customer.
- Repair is made by installing a new part only. If the new part does not correct the condition, install the original part and carry out the diagnostic procedure again.

1. Depower the SRS.
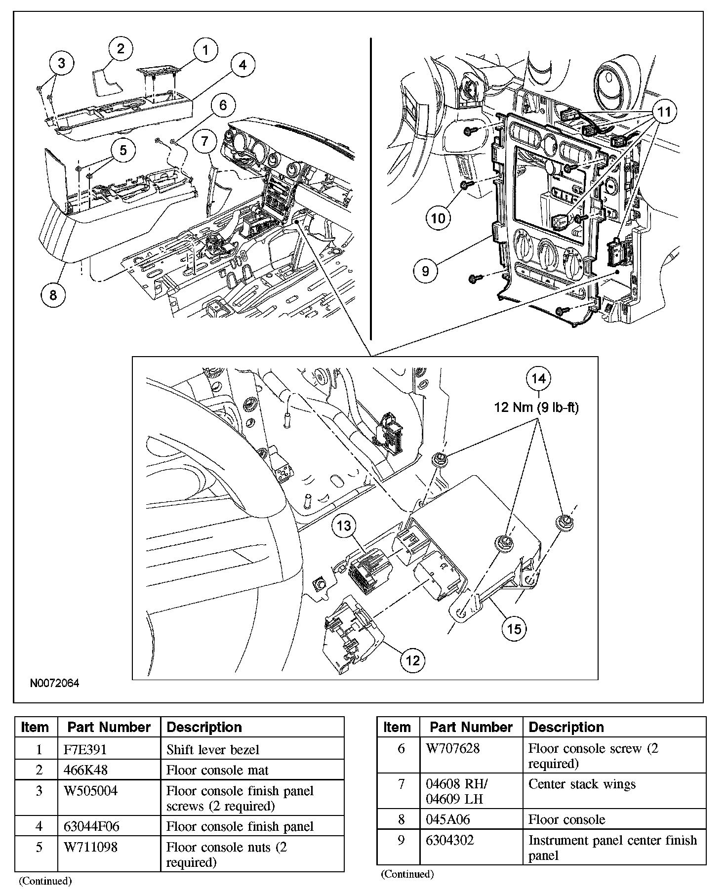
2. If equipped, remove the shift lever bezel.
3. Remove the 2 floor console finish panel screws.
4. Apply the parking brake and remove the floor console finish panel.
5. Disconnect the electrical connector to the powerpoint and audio input jack.
6. Remove the 2 center stack wings.
7. Position the floor console mat aside and remove the 2 front floor console screws.
8. Remove the mat, the 2 floor console nuts and position the floor console away from the instrument panel.
9. Remove the 6 screws and pry the instrument panel center finish panel away from the instrument panel.
10. Disconnect the electrical connectors and remove the instrument panel center finish panel.

11. NOTE: A similar RCM and connectors are shown.

Disconnect the large RCM electrical connector.
1 Pinch the thumb tab and pivot the connector position assurance lever all the way back until it stops.
2 Pull out and disconnect the large RCM electrical connector.







12. Disconnect the small RCM electrical connector.
13. Remove the 3 nuts and the RCM.

Installation

1. WARNING: Always tighten the fasteners of the restraints control module (RCM) and impact sensor (if equipped) to the specified torque. Failure to do so may result in incorrect restraint system operation, which increases the risk of personal injury or death in a crash.

Position the RCM and install the nuts.
- Tighten to 12 Nm (9 lb-ft).

2. Connect the small RCM electrical connector.
3. Make sure the large RCM connector position assurance lever is in the full release position before attempting to connect the connector.







4. CAUTION:
- Putting the large RCM electrical wiring connector into the RCM on an angle can cause bad electrical connections and damage components.
- Do not push the connector to where the lever pivots and seats itself. Light pressure is needed to get the connector into position on the RCM before using the lever to fully seat the connector.


NOTE: A similar RCM and connectors are shown.

Connect the large RCM electrical wiring connector.
- Using the connector position assurance lever, pivot it toward the RCM, drawing the connector into the RCM.
- Make sure the thumb tab is engaged to the retainer on the RCM and locked in place.







5. Connect the electrical connectors and install the instrument panel center finish panel and the 6 screws.
6. Position the floor console and install the 2 nuts and the floor console mat.
7. Install the LH and RH center stack wings.
8. Connect the electrical connector to the powerpoint and audio input jack.
9. Install the floor console finish panel and the 2 screws and release the parking brake.
10. If equipped, install the shift lever bezel.
11. Repower the SRS.