Curiosii for ever!: Car repair manuals for everyone.

Variable Induction Position Sensor: Service and Repair

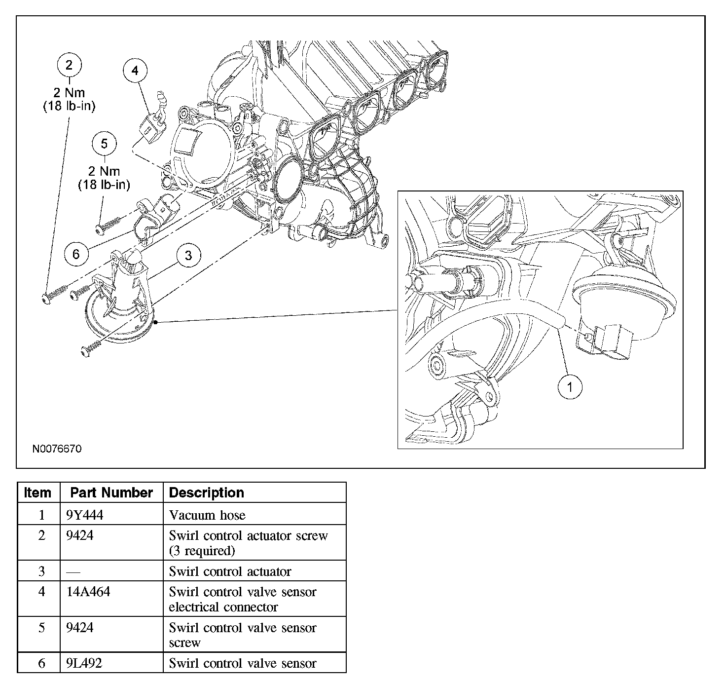
SWIRL CONTROL VALVE SENSOR







Removal
1. Remove the throttle body (TB).
2. Disconnect the vacuum hose from the swirl control actuator.
3. Disconnect the swirl control valve sensor electrical connector.

4. NOTE: There are 2 different length screws, mark for installation.

Remove the 3 swirl control actuator screws.

5. Separate the actuator from the swirl control valve sensor.
6. Remove the swirl control valve sensor screw.
7. Remove the swirl control valve sensor.
- Make sure the O-ring seal stays on the sensor.
- Make sure the swirl control valve lever remains on the intake manifold.







Installation
1. Rotate the swirl control valve sensor wiper to the full clockwise position.







2. Rotate the swirl control valve lever counterclockwise to the full up position.







3. Install the swirl control valve sensor over the wiper shaft.







4. Install the swirl control valve sensor screw.
- Tighten to 2 Nm (18 lb-in).

5. Install the swirl control actuator to the lever.
6. Install the top actuator screw (long screw).
- Tighten to 2 Nm (18 lb-in).

7. Install the 2 lower actuator screws (short screws).
- Tighten to 2 Nm (18 lb-in).

8. Connect the swirl control valve sensor electrical connector.
9. Connect the vacuum hose to the swirl control actuator.
10. Install the throttle body.