Curiosii for ever!: Car repair manuals for everyone.

Battery Cable: Service and Repair

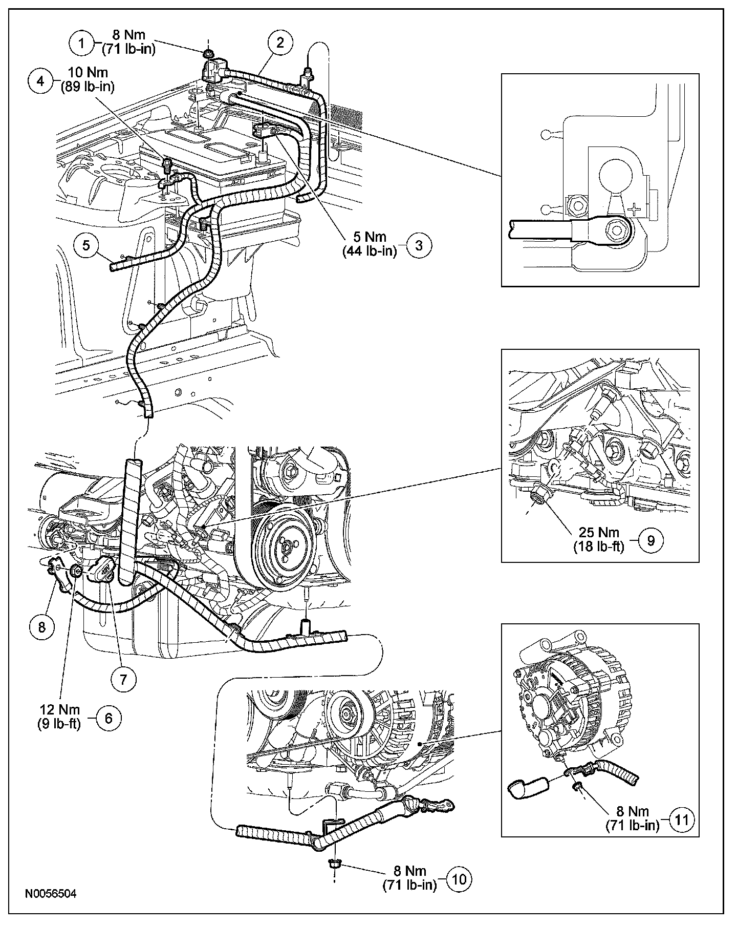
BATTERY CABLES


Part 1:






Part 2:






Removal and Installation
1. With the vehicle in NEUTRAL, position it on a hoist.
2. Disconnect the battery.
3. Position the positive battery terminal cover aside, remove the nut and position the generator harness terminal aside.
- To install, tighten to 8 Nm (71 lb-in).

4. Remove the locator from the dash panel.
5. Remove the starter solenoid terminal cover.
6. Remove the nut and position the starter solenoid positive cable terminal aside.
- To install, tighten to 12 Nm (9 lb-ft).

7. Remove the nut and position the battery ground cable engine terminal aside.
- To install, tighten to 25 Nm (18 lb-ft).

8. Remove the starter solenoid wire harness locator from the A/C compressor.
9. Remove the battery cable harness locators from the body.
10. Remove the battery cable harness locators from the oil pan.
11. Remove the 2 battery cable harness locators from the RH strut tower.
12. Remove the bolt and position the battery ground cable body terminal aside.
- To install, tighten to 10 Nm (89 lb-in).

13. Remove the battery cable harness locator from the battery tray.
14. Remove the battery cable harness locator from the RH strut tower.
15. Open the BEC cover, remove the bolt and position the BEC terminal aside.
- To install, tighten to 20 Nm (15 lb-ft).

16. Remove the battery cables.
17. To install, reverse the removal procedure.