Curiosii for ever!: Car repair manuals for everyone.

Shift Cable: Service and Repair

Selector Lever Cable

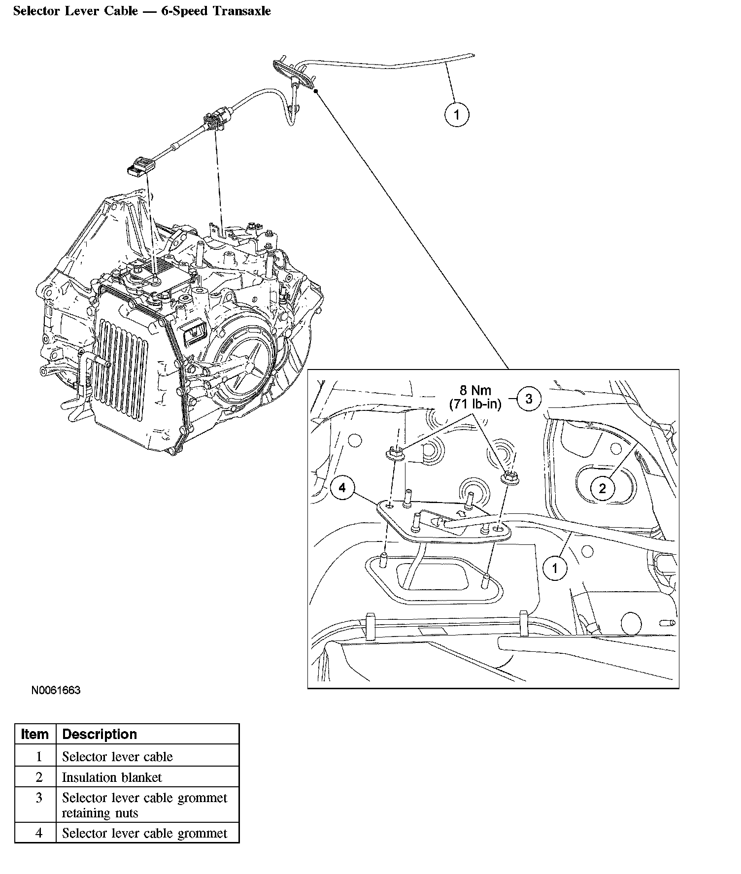
Selector Lever Cable - 6-Speed Transaxle:




Selector Lever Cable - FNR5 Transaxle (Part 1):




Selector Lever Cable - FNR5 Transaxle (Part 2):





Removal
All vehicles
1. Remove the heater core and evaporator core housing.
2. Remove the restraint control module (RCM).

6 speed transaxle
3. Remove the battery tray.
4. Disconnect the selector lever cable end from the manual lever.





5. Release the 2 tabs and remove the selector lever cable from the selector lever cable bracket.





FNR5 transaxle
6. Disconnect the selector lever cable end from the manual lever.





7. Release the 2 tabs and remove the selector lever cable from the selector lever cable bracket.





All vehicles
8. Disconnect the 2 wiring harness fasteners and position the RCM wiring harness aside.





9. Position the insulation away from the bulkhead to gain access to the 2 selector lever cable bracket nuts.





10. Remove the 2 selector lever cable grommet nuts and remove the selector lever cable through the interior of the vehicle.





Installation
All vehicles
1. Position the selector lever cable in place and install the 2 nuts.
- Tighten to 8 Nm (71 inch lbs.).





2. Position the insulation in place over the selector lever cable grommet.





3. Position back the RCM wiring harness and install the fasteners on the studs.





FNR5 transaxle

4. NOTE: When installing the selector lever cable, make sure that the selector lever cable locking tabs are locked in place and the cable end is snapped onto the ball stud. Press the selector lever cable into the bracket and listen for the cable to click in place. Pull back on the selector lever cable to make sure that it is locked into the bracket. Also make sure that the selector lever cable end is correctly installed onto the ball stud. Pull back on the selector lever cable end to make sure that the cable end is correctly installed.

Position the selector lever cable in the bracket.





5. Install the selector lever cable end on the manual lever.





6 speed transaxle

6. NOTE: When installing the selector lever cable, make sure that the selector lever cable locking tabs are locked in place and the cable end is snapped onto the ball stud. Press the selector lever cable into the bracket and listen for the cable to click in place. Pull back on the selector lever cable to make sure that it is locked into the bracket. Also make sure that the selector lever cable end is correctly installed onto the ball stud. Pull back on the selector lever cable end to make sure that the cable end is correctly installed.

Install the selector lever cable in the bracket. Be sure the tabs are locked in place.





7. Connect the selector lever cable end on the manual lever.





8. Install the battery and battery tray.

All vehicles
9. Install the RCM.
10. Install the heater core and evaporator core housing.
11. Adjust the selector lever cable.