Curiosii for ever!
: Car repair manuals for everyone.
Home
>>
Ford
>>
2007
>>
Focus L4-2.0L VIN N
>>
Repair and Diagnosis
>>
Locations
>>
Harness Locations
>>
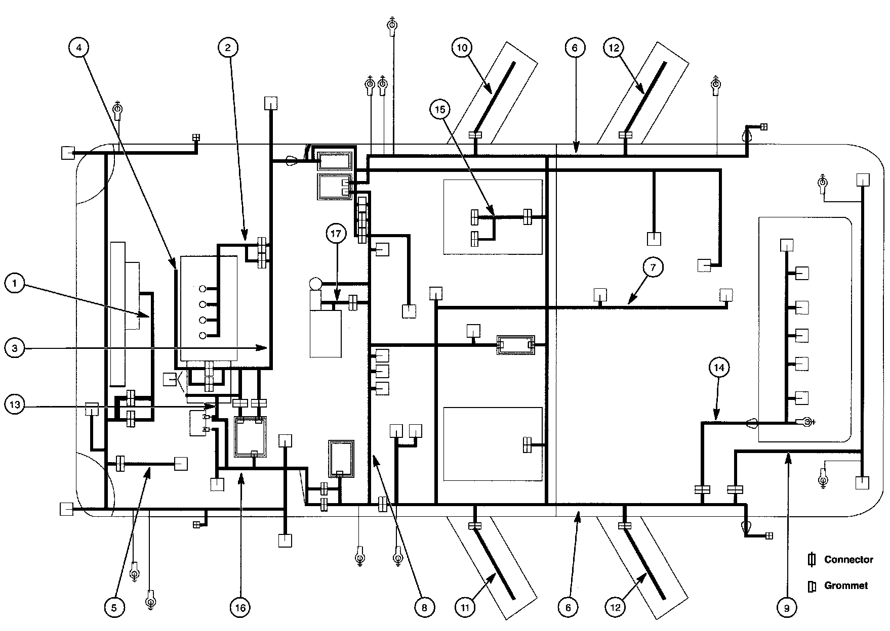
Harness Overview
Harness Overview
Wiring Harness Overview Part 1:
Wiring Harness Overview Part 2: