Curiosii for ever!: Car repair manuals for everyone.

Engine Emission Control

ENGINE EMISSION CONTROL

CAUTION: Do not remove any part of the engine emission control system. Operating the engine without the engine emission control system will reduce fuel economy and engine ventilation. This will weaken engine performance and shorten engine life.

The engine emission control consists of the:
- positive crankcase ventilation (PCV) system.
- exhaust gas recirculation (EGR) system.


Typical Vehicle Emission Control Information (VECI) Decal:






The vehicle emission control information (VECI) decal shows:
- components of the emission control system.
- the correct vacuum hose routing.
- the color stripe of the vacuum hoses.

Refer to Vehicle/Application and ID.

The PCV system uses intake manifold vacuum to ventilate the crankcase and return the fumes to the intake manifold for combustion.


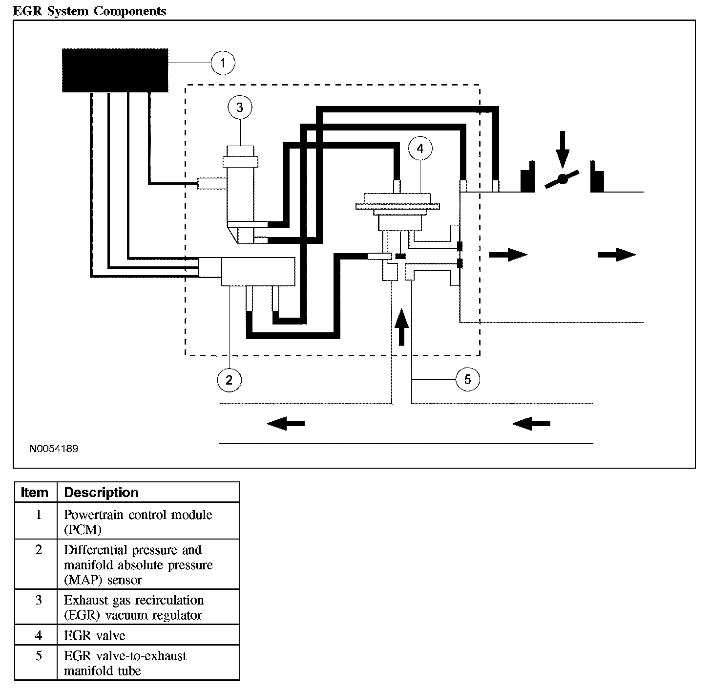
EGR System Components:






The exhaust gas recirculation (EGR) system returns a portion of the exhaust gas to the intake manifold to reduce the combustion temperature. This results in lower NOx formation.

The powertrain control module (PCM) controls the EGR valve opening via the vacuum regulator solenoid. When the EGR valve opens, exhaust gas flows to the intake manifold. The EGR system module transducer measures the delta pressure across the orifice located in the EGR system module gasket. This delta pressure signal is sent to the PCM providing an indication of the EGR mass flow that was delivered.

The EGR system module-to-exhaust manifold tube:
- connects the exhaust manifold to the EGR valve and provides a path to deliver exhaust gas to the EGR valve.

The EGR system module transducer:
- measures the delta pressure across the orifice in the EGR system and sends a signal to the PCM indicating the EGR mass flow that was delivered.
- measures the manifold absolute pressure (MAP) and provides this signal to the PCM.

The EGR vacuum regulator solenoid uses input from the PCM to achieve the calibrated level of EGR flow for various engine operating conditions.