Curiosii for ever!: Car repair manuals for everyone.

Timing Components

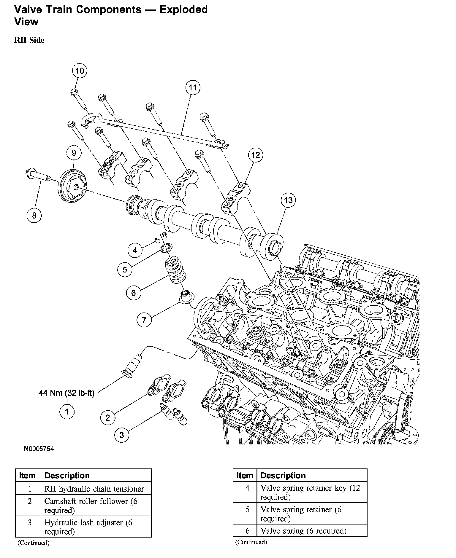
Valve Train Components - Exploded View

Valve Train Components - Exploded View, RH Side:




Valve Train Components - Exploded View, RH Side:




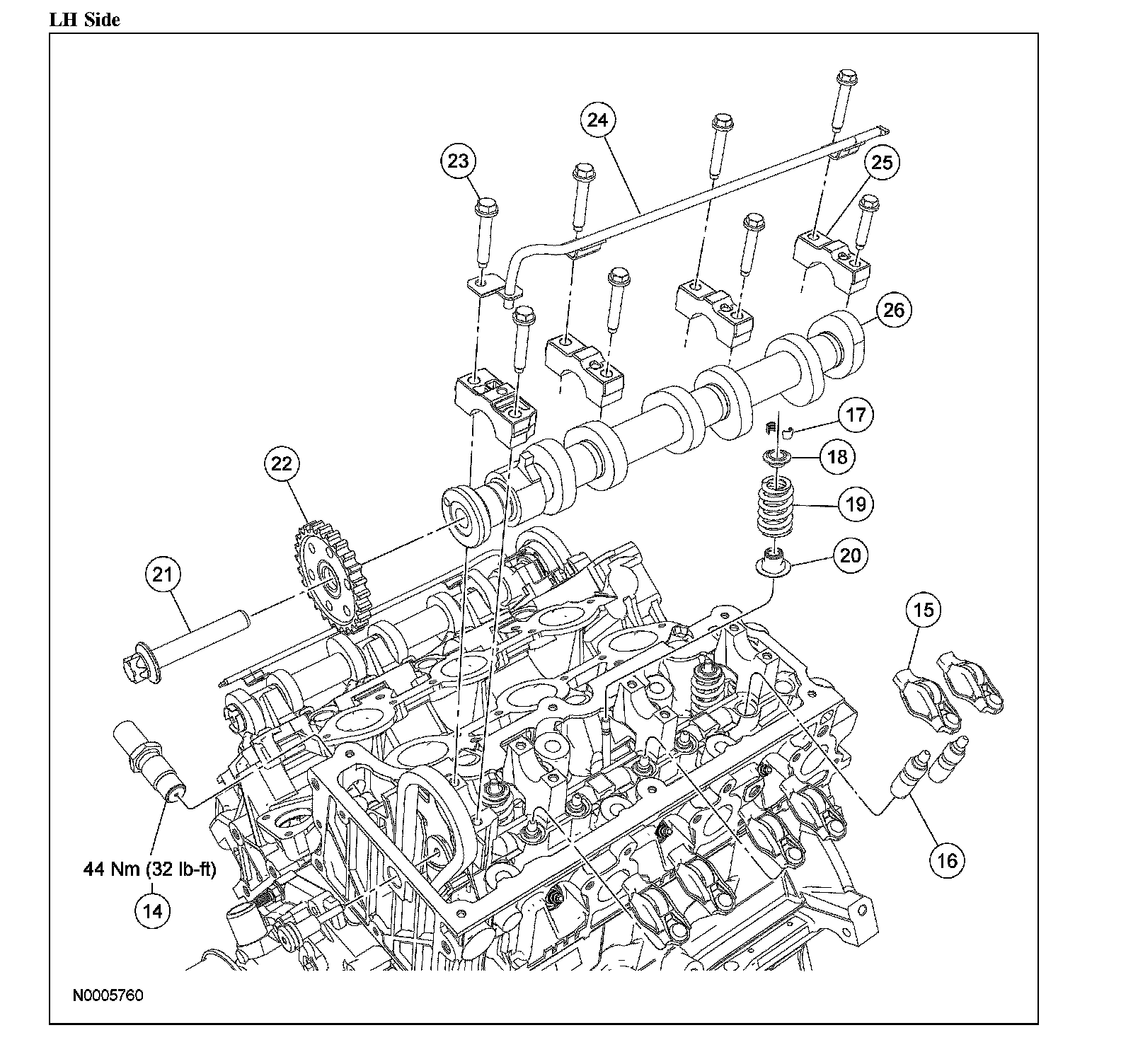
Valve Train Components - Exploded View, LH Side:




Valve Train Components - Exploded View, LH Side: