Curiosii for ever!
: Car repair manuals for everyone.
Home
>>
Ford
>>
2005
>>
Five Hundred AWD V6-3.0L VIN 1
>>
Repair and Diagnosis
>>
Powertrain Management
>>
Computers and Control Systems
>>
Relays and Modules - Computers and Control Systems
>>
Engine Control Module
>>
Locations
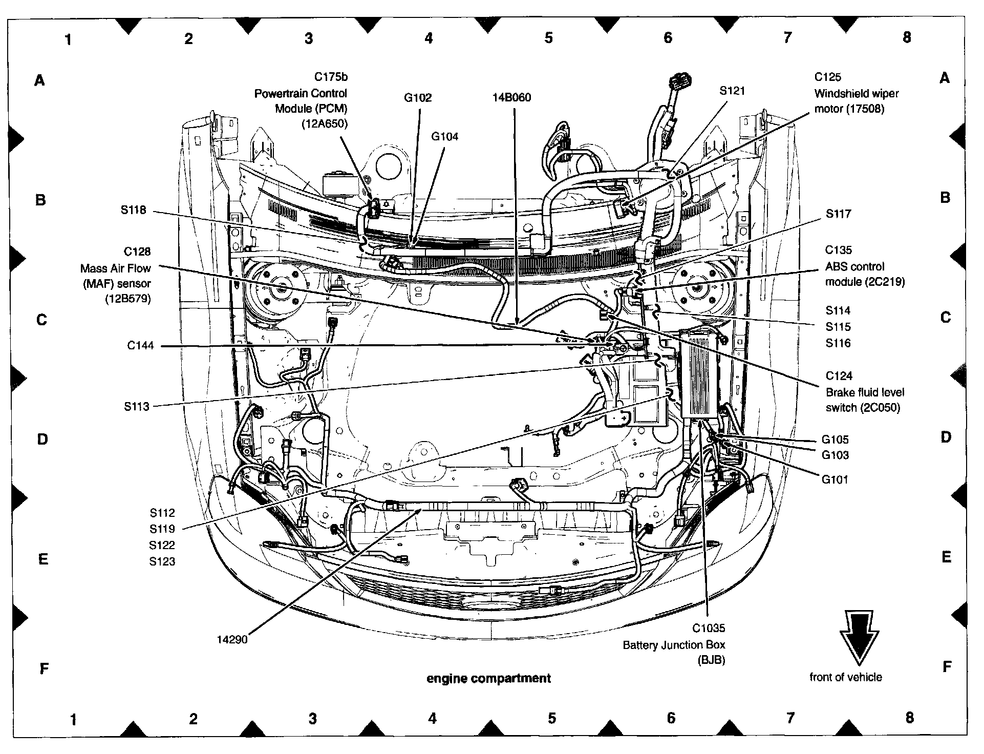
Engine Control Module: Locations
View 151-1 (Engine Compartment):