Curiosii for ever!
: Car repair manuals for everyone.
Home
>>
Ford
>>
2004
>>
Thunderbird V8-3.9L VIN A
>>
Repair and Diagnosis
>>
Powertrain Management
>>
Relays and Modules - Powertrain Management
>>
Relays and Modules - Computers and Control Systems
>>
Electronic Throttle Control Module
>>
Locations
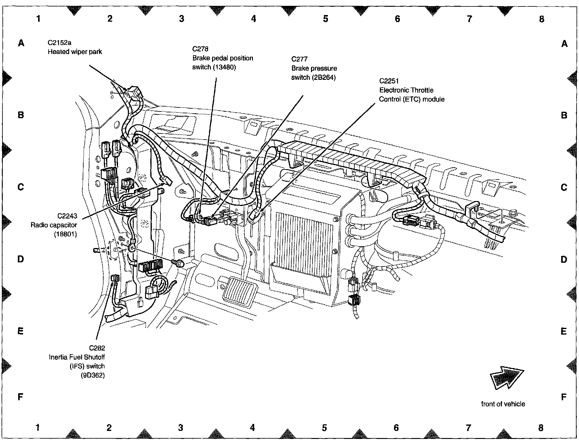
Electronic Throttle Control Module: Locations
View 151-42: