Curiosii for ever!
: Car repair manuals for everyone.
Home
>>
Ford
>>
2004
>>
Thunderbird V8-3.9L VIN A
>>
Repair and Diagnosis
>>
Diagrams
>>
Exploded Views
>>
Engine
>>
System Diagram
System Diagram
Step 1-4:
Step 5-10:
Step 11-16:
Step 17-27:
Step 28-33:
Step 34-36:
Step 37-44:
Step 45-51:
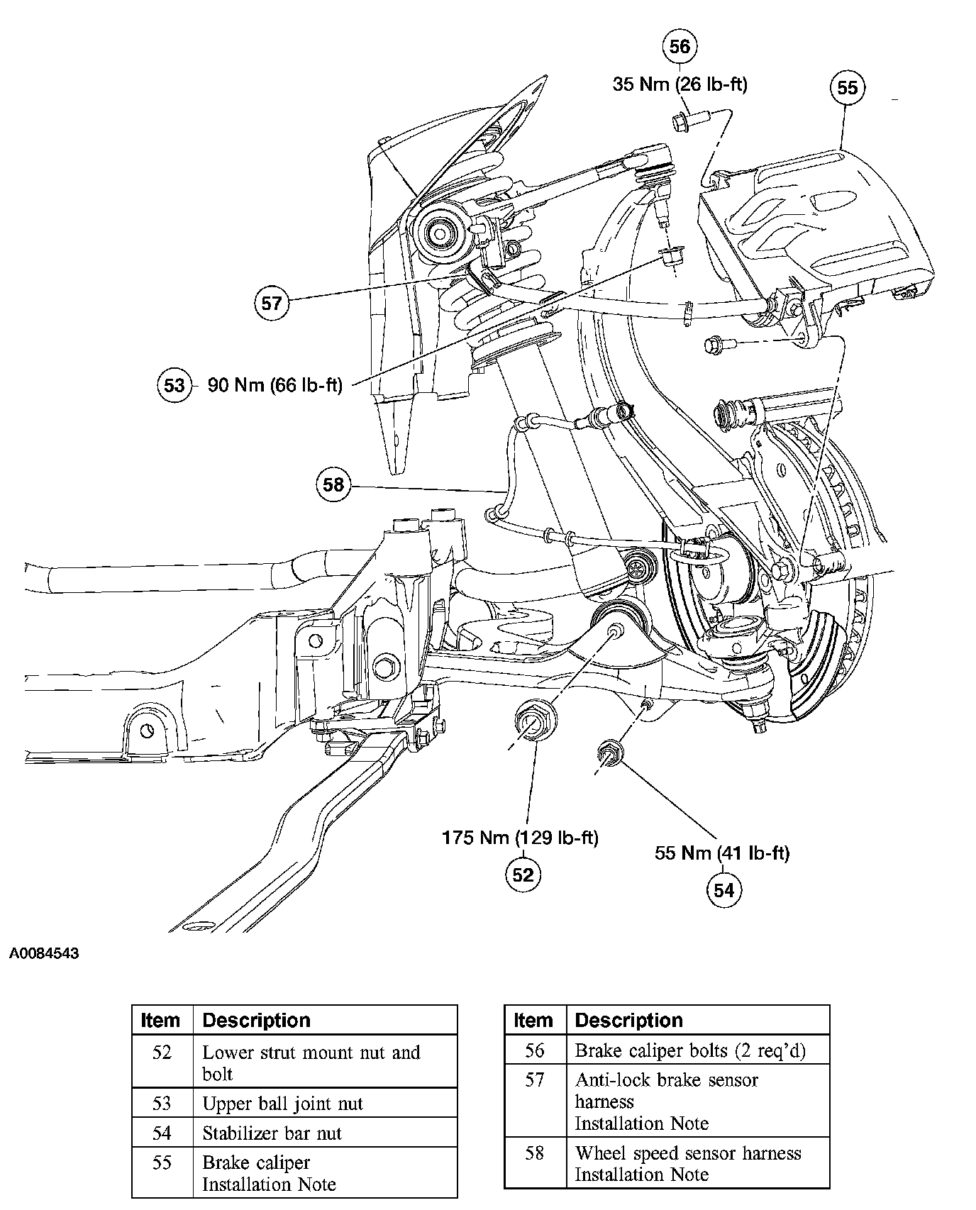
Step 52-58:
Step 59-65:
Step 66-80:
Step 81-84:
Step 85-87:
Step 88-89:
Step 90-94:
Step 95-97:
Engine