Curiosii for ever!: Car repair manuals for everyone.

Electronic Brake Control Module: Service and Repair

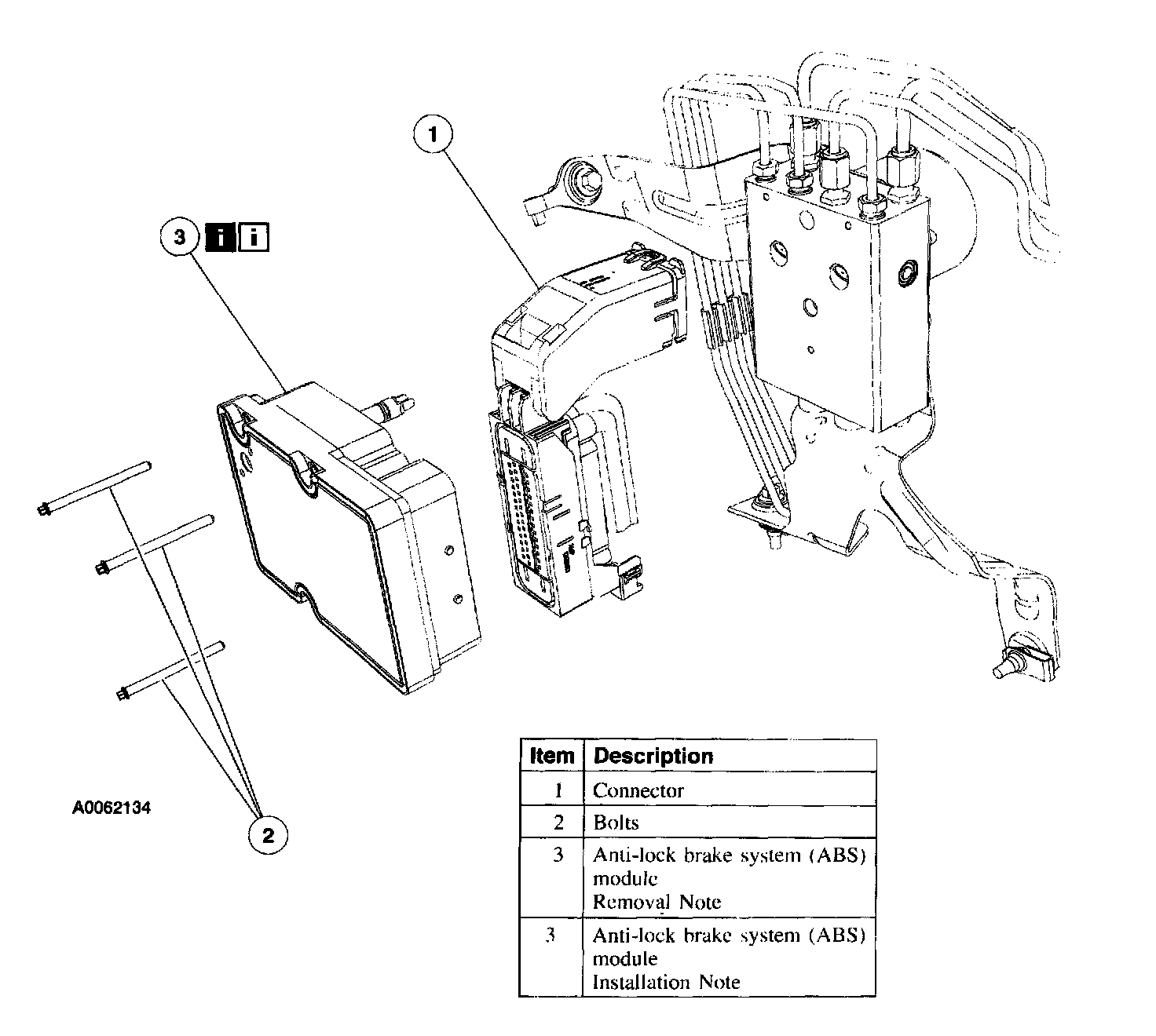
Anti-Lock Brake System (ABS) Module
1. Disconnect the battery ground cable.





2. Remove the components in the order indicated in the illustration and table.
3. To install, reverse the removal procedure.

Item 3: Anti-Lock Brake System (ABS) Module Removal Note





1. Position the Battery Junction Box (BJB) aside.
1 Release the clips.
2 Position the BIB aside.

Item 3: Anti-Lock Brake System (ABS) Module Installation

Note

1. Use the diagnostic tool to reconfigure the ABS module.