Curiosii for ever!: Car repair manuals for everyone.

Traction Control Switch: Service and Repair

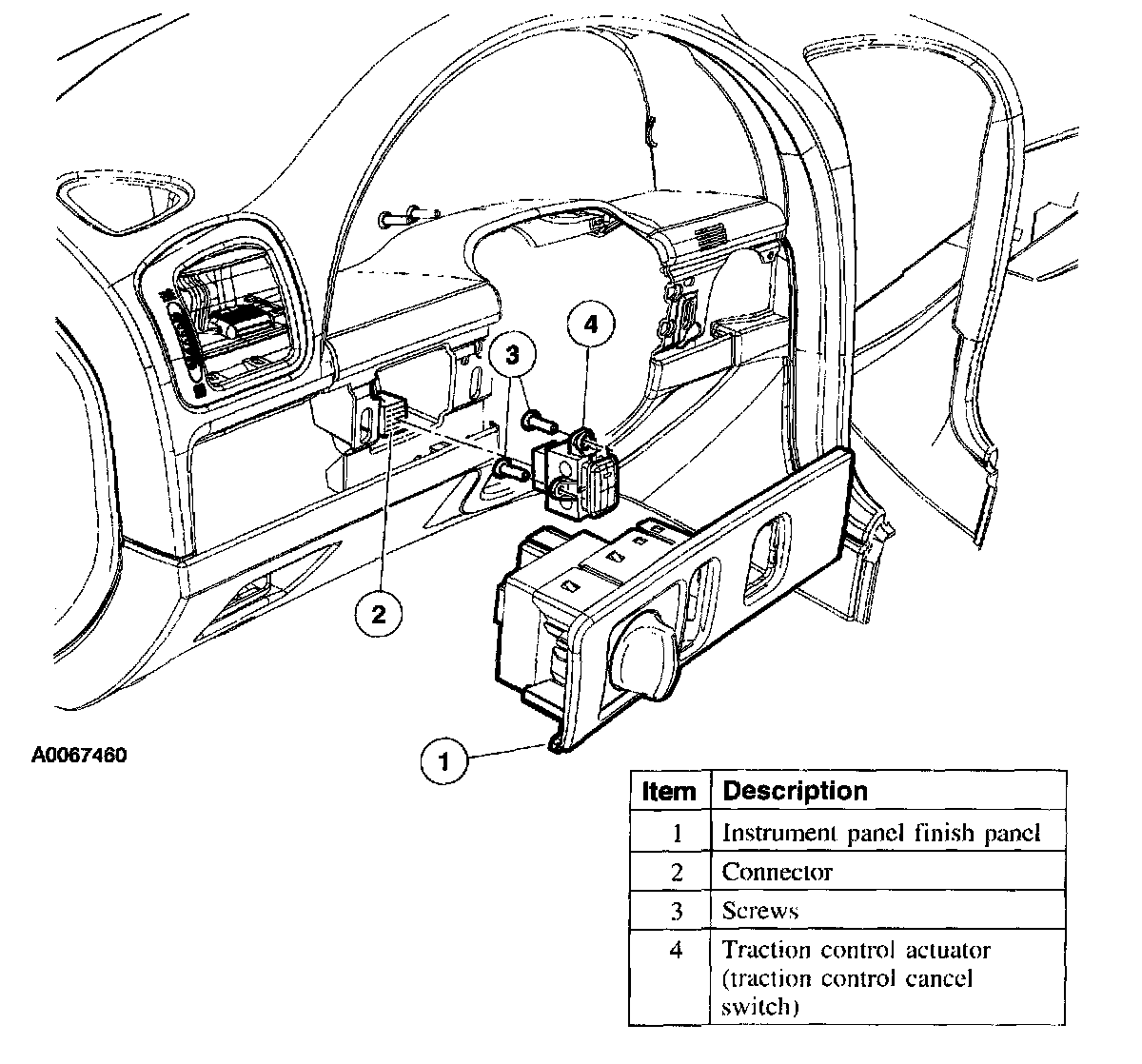
Traction Control Actuator

NOTE: The traction control actuator is also referred to as the traction control cancel switch.





1. Disconnect the battery ground cable.
2. Remove the components in the order indicated in the illustration and table.
3. To install, reverse the removal procedure.