Curiosii for ever!
: Car repair manuals for everyone.
Home
>>
Ford
>>
2003
>>
Escort ZX2 L4-2.0L DOHC VIN 3
>>
Repair and Diagnosis
>>
Diagrams
>>
Exploded Views
>>
Automatic Transmission/Transaxle
>>
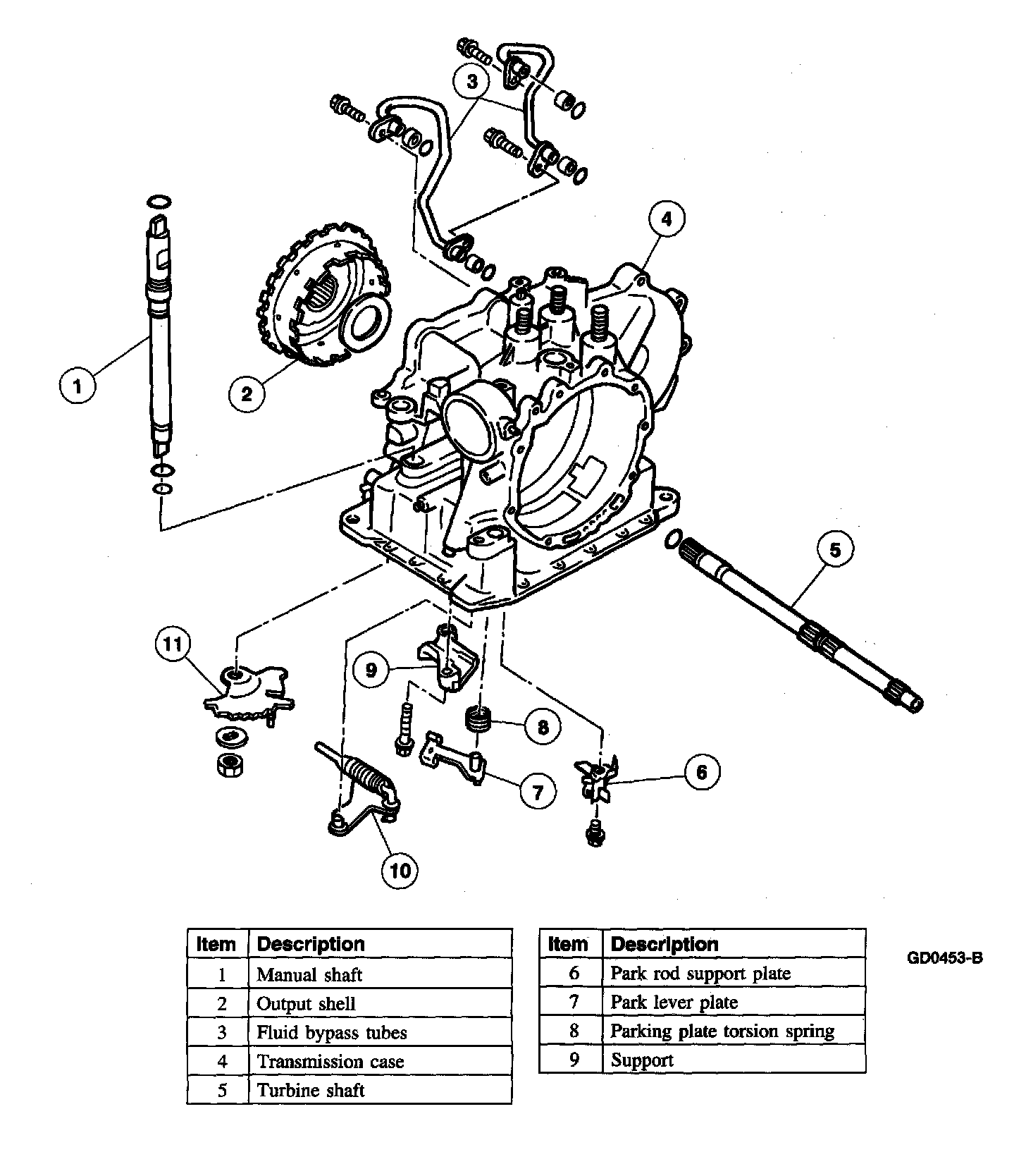
Disassembled Views
Disassembled Views
Disassembled Views
Disassembled Views - External Components
Part 1 Of 3:
Part 2 Of 3:
Part 3 Of 3:
Disassembled Views - Internal Components
Apply Components, Exploded View
Differential, Exploded View