Curiosii for ever!
: Car repair manuals for everyone.
Home
>>
Ford
>>
2002
>>
Focus L4-2.0L SOHC VIN P
>>
Repair and Diagnosis
>>
Diagrams
>>
Exploded Views
>>
Engine
>>
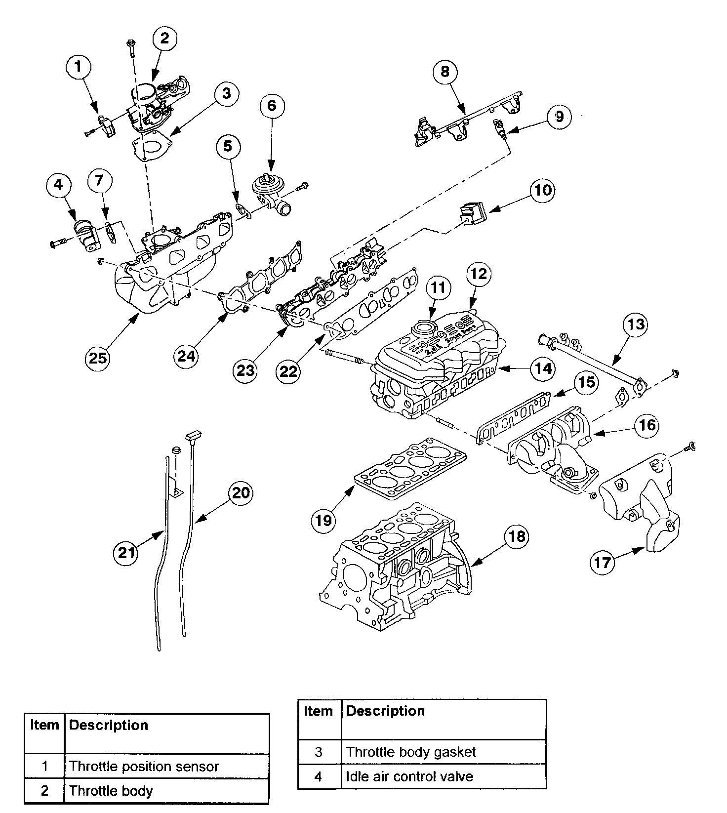
Upper End
Upper End
Upper Engine Components
Part 1 of 2
Part 2 of 2