Curiosii for ever!
: Car repair manuals for everyone.
Home
>>
Ford
>>
2002
>>
Focus L4-2.0L DOHC VIN 3
>>
Repair and Diagnosis
>>
Diagrams
>>
Exploded Views
>>
Automatic Transmission/Transaxle
>>
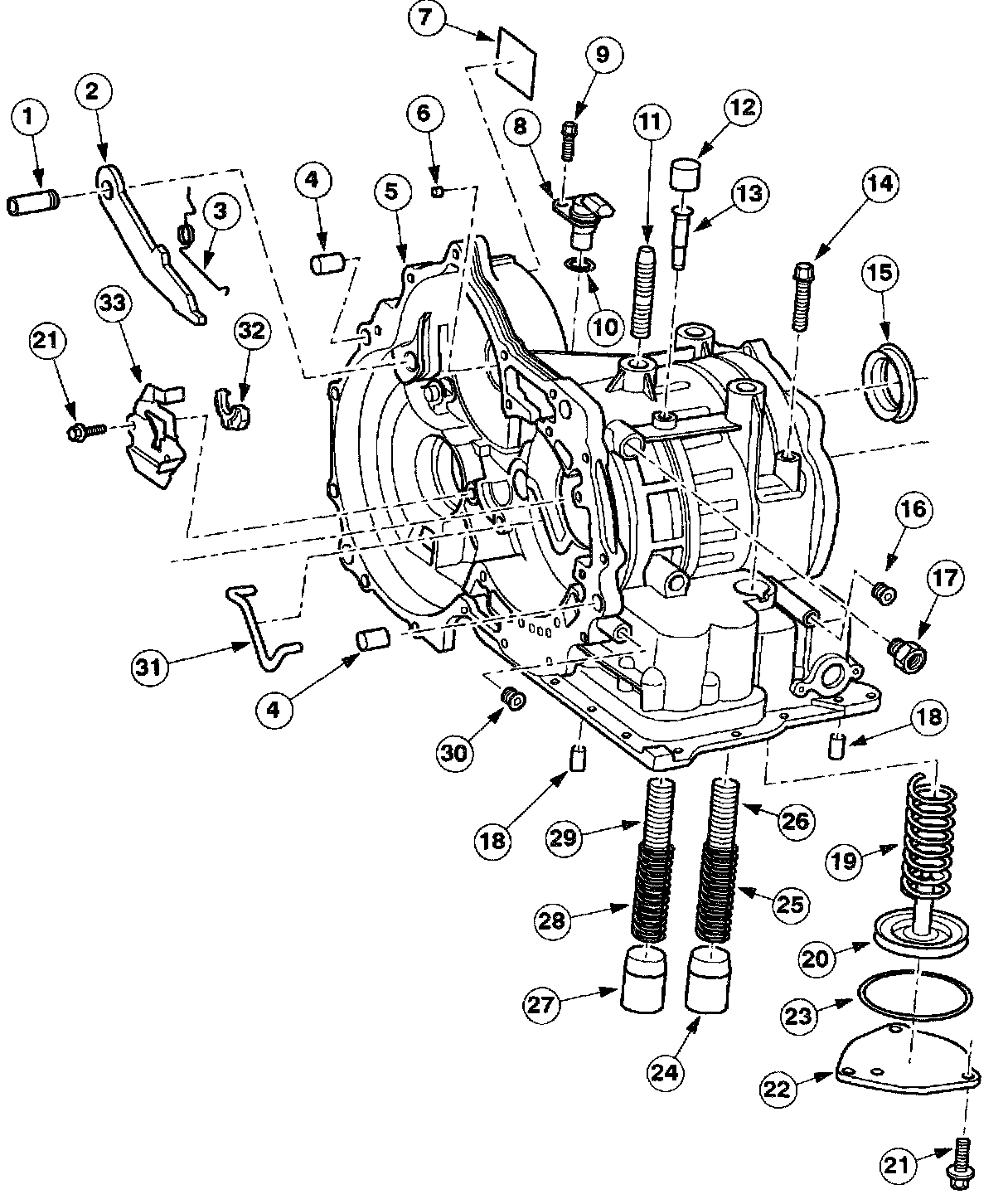
Case Assembly
Case Assembly
Case assembly
Part 1 of 2
Part 2 of 2