Curiosii for ever!
: Car repair manuals for everyone.
Home
>>
Ford
>>
2002
>>
Escort ZX2 L4-2.0L DOHC VIN 3
>>
Repair and Diagnosis
>>
Diagrams
>>
Exploded Views
>>
Engine
>>
System Diagram
System Diagram
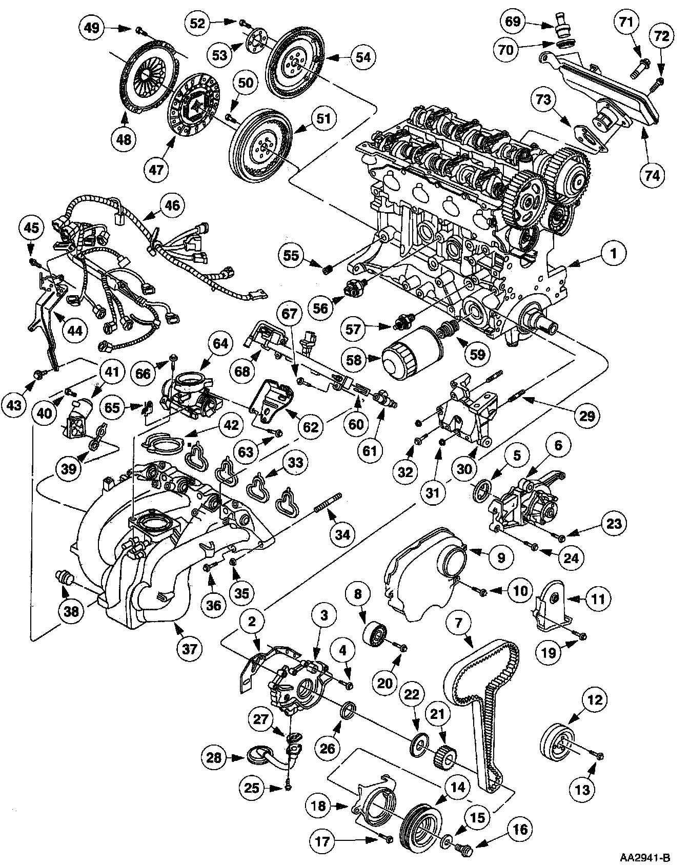
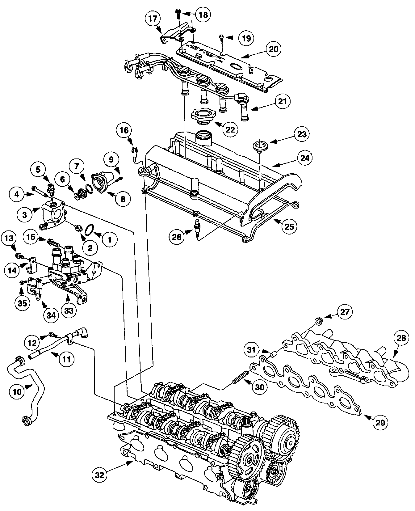
Upper Engine Components
Part 1 of 3
Part 2 of 3
Part 3 of 3
Cylinder Head Components
Lower Engine Components
Part 1 of 3
Part 2 of 3
Part 3 of 3
Cylinder Block Components
Part 1 of 2
Part 2 of 2