Curiosii for ever!
: Car repair manuals for everyone.
Home
>>
Ford
>>
2001
>>
Focus L4-2.0L SOHC VIN P
>>
Repair and Diagnosis
>>
Diagrams
>>
Exploded Views
>>
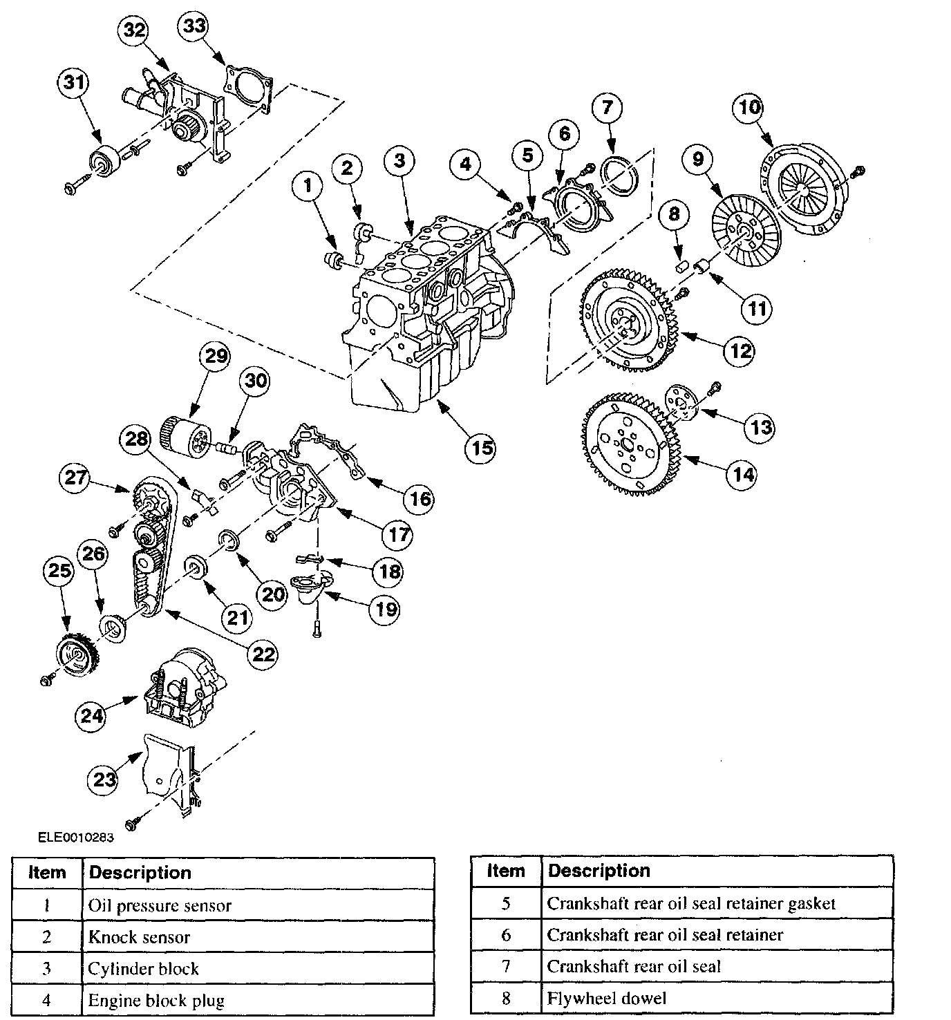
Engine
Engine
Upper Engine Components
Cylinder Head Components
Lower Engine Components