Curiosii for ever!
: Car repair manuals for everyone.
Home
>>
Ford
>>
2001
>>
Crown Victoria V8-4.6L VIN W
>>
Repair and Diagnosis
>>
Diagrams
>>
Exploded Views
>>
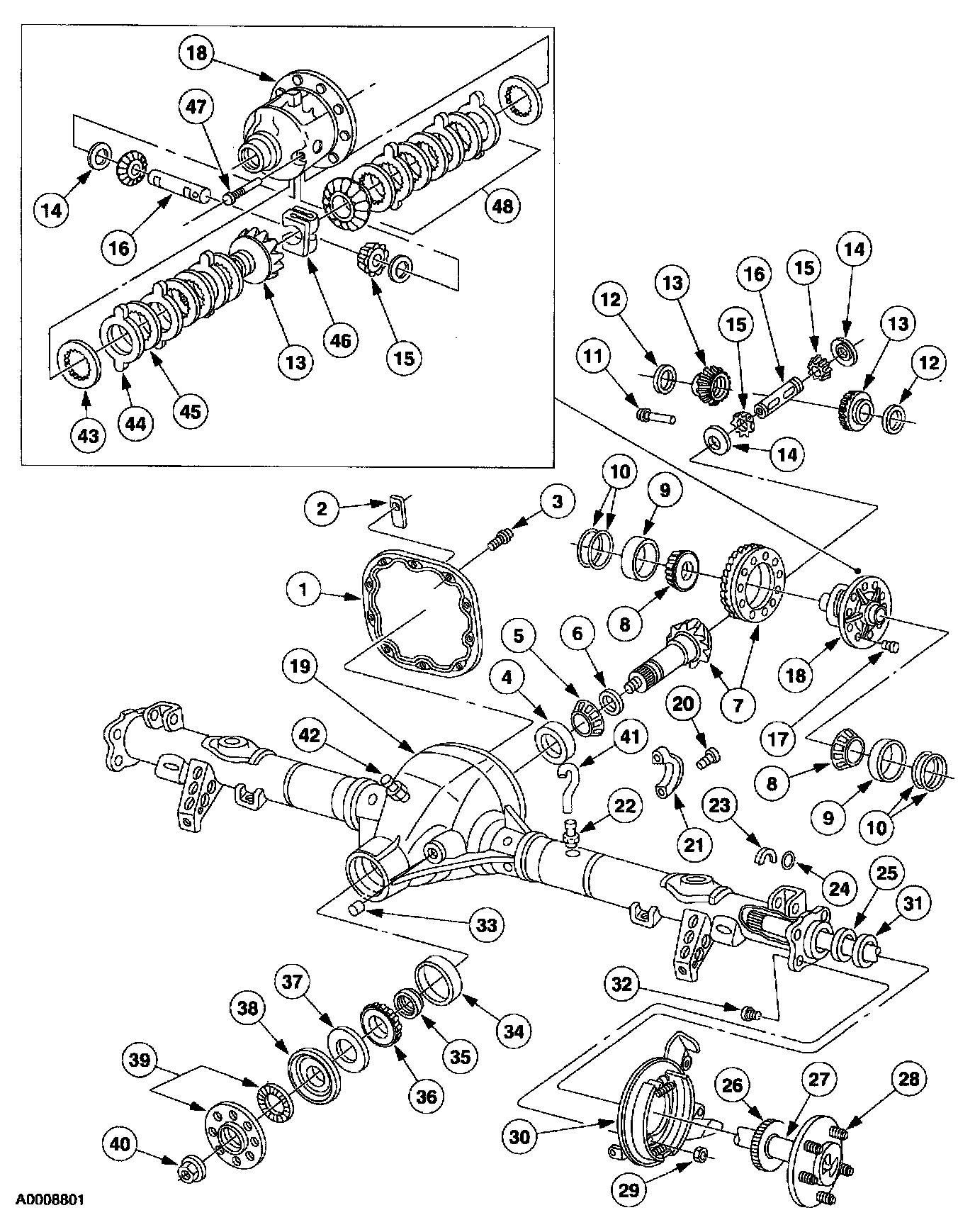
Differential Assembly
Differential Assembly
Rear Drive Axle And Differential
Part 1 of 2
Part 2 of 2