Curiosii for ever!
: Car repair manuals for everyone.
Home
>>
Ford
>>
1999
>>
Taurus V8-3.4L VIN N SHO
>>
Repair and Diagnosis
>>
Specifications
>>
Mechanical Specifications
>>
Engine
>>
Timing Components
>>
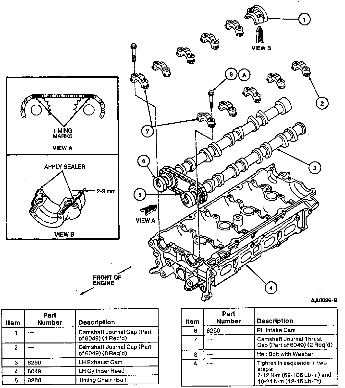
Timing Component Alignment Marks
Timing Component Alignment Marks
LH Shown. RH Similar.:
Fig. 13 Engine Front Cover Installation:
Refer to Engine Cooling and Exhaust/Engine/Service and Repair/Procedures/Assembly for timing information.
Assembly